Ошибка P0440 Киа Спортейдж 1 Поколения Hyundai i30 2011 гв мотор
Немного истории автомобиля
Этот автомобиль производили с несколькими кузовами: универсал (5 дверей) общей длинной 4245 мм; 3х-дверный с короткой базой 2360 мм; 3х-дверный с немного удлинённой базой 2650 мм.
Двигатель делали на выбор, — как бензин (два двигателя) так и дизель был (также в двух вариантах). Объёмы также предоставлялись покупателям, правда только один дизель был 2,2 литра (6,5 л.с.), другой дизель с турбиной 2,0 л (90 л.с.) остальной дизельный двигатель и два бензиновых были по 2 литра (115 и 140 лошадиных сил).
Перед тем как приступить к ремонту электрооборудования и прочей механики — отсоедините от аккумулятора минусовую клемму или полностью достаньте АКБ.
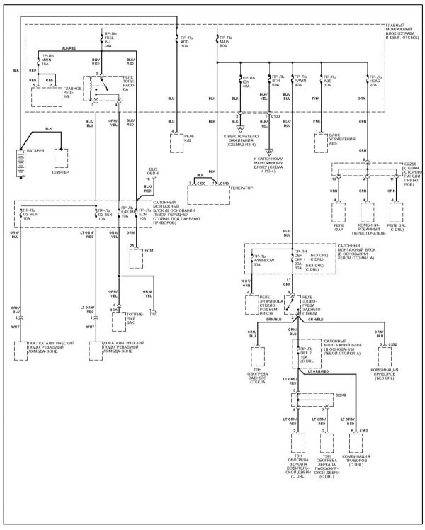
Обозначения цвета изоляции электропроводки:

Kia Sportage 1 (JA) с пробегом 1993 — 2006 |
P1115 Температура воды неисправность датчика — Клубный автосервис АвтоМиг в Москве Если взглянуть на статистические данные, можно выделить некоторые автомобили, которые чаще остальных сталкиваются с подобной проблемой.
Авто опросы:

Кузовной ремонт
Консультации:
Kia ceed 1.6 хэтч, 2019 VIN .
Сколько будет стоить замена передней правой ф[. ]
Hyundai Santa Fe DM 2.4 бенз.
Подскажите, сколько будет стоить: 1) замена р[. ]
Киа Рио 2 1.4 акппп 2010.
Добрый день. Вы проводите диагностику системы[. ]
киа сид 1,6бензин акп 2008.
здравствуйте. крыло: вмятина и окраска (можн[. ]
Kia Sportage 2.
Добрый день! Подскажите пожалуйста стоимость[. ]
Хендай i30 1,4 2013г.
Здравствуйте,не подскажите у меня автомобиль [. ]
Hyundai i30 2011 г.в, мотор .
Добрый день подскажите стоимость замены с ваш[. ]
Kia Rio 2012 , акпп.
Здравствуйте. Подскажите, стоимость только р[. ]
Kia cerato 1.6 2011г.
Интересует стоимость замены цепи грм, с прове[. ]
Ремонт двигателей:
Новые обращения Киа:
Замена масла в двигателе Киа Мохав
Замена и ремонт двери Киа Соренто
Замена масла в двигателе Киа Соул
Замена шлангов, жидкости и насоса ГУР Киа Соренто
Шиномонтаж Киа Рио
Ремонт других марок:
Замена порогов Тойота Рав 4
Ремонт арок крыла Хонда Цивик
Кузовной ремонт Чери Тигго
Замена порогов Хонда ЦРВ
Кузовной ремонт Инфинити QX50
Новые обращения Хендай:
Замена антифриза Хендай i20
Кузовной ремонт Хендай Туссан
Замена радиатора охлаждения и кондиционера Хендай Санта Фе
Плановое ТО Хендай Санта Фе №8 (120000 км)
Шиномонтаж Хендай Соната
Ремонт других марок в нашем техцентре:
Автосервис Москва, Авиамоторная
Автосервис ЮВАО, ВАО — метро Авиамоторная:
Автосервис Серп и Молот | Автосервис Красноказарменная | Автосервис Лефортово
Ближайшие станции метро — Авиамоторная, Площадь Ильича, Шоссе Энтузиастов, Чкаловская, Бауманская, Семеновская. Ближайшие для подъезда улицы — третье транспортное кольцо (ТТК), проезд завода Серп и Молот, Лефортовский вал, Красноказарменная улица.
Автосервис Москва, Октябрьское поле
Автосервис СЗАО, САО — метро Октябрьское поле, станция Зорге МЦК (район Щукино, Хорошёво—Мнёвники)
Ближайшие станции метро — Октябрьское поле, Полежаевская. Станция Московского Центрального Кольца — Зорге. Ближайшие для подъезда улицы — Маршала Бирюзова, Берзарина, Народного ополчения, Зорге, Куусинена, Расплетина.
Kia Sportage I: электросхемы
Автосервис Москва, Щелковская

Киа Спортейдж 1 поколения, технические характеристики
Ошибки Kia — Автогностика P0133 — медленный отклик цепи датчика кислорода (ДК), банк 1, датчик 1.
Двигатель Sportage 1 поколения
Конструктивно машина – типичный кроссовер. Мотор расположен поперечно. Привод задней оси действует от простейшей муфты.
Силовых установок Киа Спортейдж 1 выпущено пять. Из них три — на бензине и два — дизельных агрегата. На российских дорогах чаще встречаются бензиновые версии с 4-цилиндровым двигателем. Объем его составляет 2,0 литра, впрыск распределенный. Автомобили держат под капотом 118 и 128 лошадиных сил. До двухтысячных годов мощность внедорожника была 95 «лошадей» при тех же 2,0 литрах объема.
Мощность дизельных установок не превышает 63 л. с. Атмосферные силовые агрегаты объемом 2,2 литра базируются на платформе Мазда.

Второй дизельный мотор имеет турбонаддув и развивает 83 лошадиные силы.
Оба варианта двигателей надежные. Водители уделяют внимание топливной системе. Фильтр Kia Sportage I нуждается в регулярной замене. Некачественное топливо приводит к забитым форсункам. От плохого горючего страдает бензонасос.
Радиатор в охлаждающей системе недостаточно герметичный, часто ломается термостат и вискомуфта вентилятора.
Свечи зажигания Kia Sportage I «живут» привычные российским автомобилистам 10-15 тыс. км. Ремень ГРМ производители рекомендуют менять через 80 тыс. км пробега. Но дороги диктуют свои условия: запчасть вместе с роликами непригодна на 60 тыс. км.
Отзывы владельцев
- 1994 г. Бензин, «механика», 95 «лошадей» – 60 000 руб.
- 1995 г. Механическая коробка, бензин, мощность 130 л. с., пробег 230 000 км – 90 000 руб.
- 1996 г. МКПП, бензин. Двигатель 2-литровый, пробег 270 тыс. км – 165 000 руб.
- 2002 г. Бензиновый двигатель 2,0 л объема, автоматическая коробка передач, пробег 133 тыс. км – 250 000 руб.
- 2004 г. Механическая коробка, бензиновый мотор мощностью 128 л. с. За авто с пробегом 240 000 км просят 214 тыс. руб.
Новые обращения Киа: Автоматические коробки A6MF1 и A6LF2 конструктивно схожи. Из неприятного: случаются сбои работы электронного блока управления, зависания на 2–5 секунд при нажатии педали газа. В остальном эти коробки достойны похвалы, служат они долго.
