Что Такое Бсз на Мотоцикле иж Планета. Процесс установки
ИЖ Юпитер 2 установка БСЗ на оптическом датчике
Можно гонять на мотоцикле не заботясь о его техническом состоянии. Но владельцы «железного коня» любят свои машины, бережно ухаживают, проводят необходимое обслуживание, проявляя истинную заботу о любимом друге.
Модернизация, тюнинг Юпитер 5 — доставляет немало удовольствий хозяевам такого вида транспорта. Одна мечта имеется у многих – установить на Иж Юпитер 5 бесконтактное зажигание. «Древние» системы контактного типа давно себя изжили. На современных мотоциклах и машинах они уже не используется. Одна головная боль:
- пропадание зазора между контактами прерывателя;
- изменение геометрии контактов;
- не постоянное искрообразование;
- выход из строя изоляции высоковольтных проводов;
- нестабильная работа высоковольтной катушки;
- невозможность заведения двигателя при пониженном напряжении аккумулятора.
- искра не поджигает горючую смесь в цилиндре двигателя
Электронное зажигание на иж юпитер 5 с датчиком Холла позволяет полностью избавиться от этих недостатков.

Бсз на иж юпитер 3 6 вольт | Хитрости Жизни
- пробник, или лампочка, работающая от 12-ти вольт с наличием двух проводов;
- глубиномер (штангенциркуль);
- специальные щупы, для чтобы точно измерить зазоры.
Отзывы о Бесконтактная система зажигания Совек Как установить модулятор и датчик Холла, чтобы система бсз работала правильно, было рассказано выше по тексту. Новая катушка зажигания, имеющая два выхода, ставится на место старой катушки. Высоковольтный провод от каждой свечи – на соответствующие крепежные элементы катушки.
Особенности мотоцикла
Согласно отраслевой нормали, мотоцикл имел буквенно-цифровой индекс:
- ИЖ 7.107-010 – базовая модель;
- ИЖ 7.107-020 уже оснащался новой системой смазки и улучшенной подвеской передней оси. Кроме того, схема электропроводки мотоцикла ИЖ Планета 5 имела бесконтактную систему зажигания, независимую от аккумуляторной батареи;
- ИЖ 7.107-030 оснащался пружинно-гидравлическим амортизатором и переработанным тормозным приводом заднего колеса;
- ИЖ 7.107-040 выпускался с измененной кинематикой и доработанным передним колесным тормозом. Схема электропроводки на ИЖ Планета 5 вплоть до 2008 года оставалась бесконтактной.
Кроме того, к мотоциклу можно были прицеплять боковой прицеп (коляску) или универсальную грузовую платформу (без посадочного места).

Электронное зажигание ИЖ – Юпитер
- спидометр со счетчиками суточного и общего пробегов;
- тахометр с контрольными лампами указателей поворотов и головного света;
- указатель температуры двигателя;
- вольтметр.
Инструкция по установке электронного зажигания на ИЖ Юпитер 5 Общая форма модулятора и получившейся платы
Оценить статью
Средний балл статьи: 0 Проголосовало: 0 чел.
Для добавления Вашей сборки необходима регистрация
0

0
0
Я тоже делал похожую конструкцию для ИЖ Юпитер.
Пробовал применять разные варианты самодельных CDI.
ИМХО лучший вариант — с разорванным выпрямительным мостом на входе коммутатора. Но требуется отсоединить от массы и вывести на отдельную клемму второй конец обмотки зажигания генератора. У меня хорошо работала такая схема:
http://fotki.yandex.ru/users/kvadrat67/view/285343/?page=26
0
0
0
Выбор стабилитрона Д814А обусловлен максимальным напряжением на управляющем электроде тиристора. В данном случае замена не желательна.
0
0
Посмотрите схемы зажигания с накачкой конденсатора с помощью блокинг-генератора. Хорошо собранная схема в принципе уже от 4 вольт запускается. А зазор не велик меж обмотками и ротором при такоой переделке?
0
+1
Зажигание Иж Планета 5: особенности настройки и регулировки
- Длительности импульсов с датчика зажигания хватает на поддержание нескольких периодов колебаний на малых оборотах с постепенным уменьшением до одного, при увеличении частоты вращения коленвала. ( Проверялось по осциллографу.)
- В конце последнего полупериода искрообразования часть энергии, запасенной в КЗ, отдается обратно на накопительный конденсатор. По этому, процесс зарядки начинается не с нуля как в варианте А и В, а с некоторого остаточного напряжения, экономя при этом время и энергию.
Схема проводки ИЖ планета 5: видео-инструкция по монтажу электропроводки мотоцикла своими руками, фото Согласно отраслевой нормали, мотоцикл имел буквенно-цифровой индекс:
Настройка контактного зажигания на Иж Юпитер — 5
Рассмотрим поэтапно, как настроить контактное зажигание на данном аппарате:
- Выставить поршень нужного цилиндра: — вставить отвертку в цилиндр — прокрутить коленвал, придерживая отвертку
- Взять линейку и поставить рядом с отверткой.
- Провернуть коленвал, пальцем придерживая вниз отвертку, чтобы она стояла ровно. Находим мертвую точку.
- Провернуть коленвал в обратную сторону (на 1,5-2 мм).
- Искра образуется, когда кулачок размыкается, найти два регулировочных болта.
- Взять лампочку с двумя контактами, один соединить с массой, другой с контактом.
- Включить замок зажигания.
- Нужно найти момент, когда лампочка загорится (в тот момент, когда она загорается, происходит запуск), а когда она гаснет, контакт наоборот замыкает.
- Выключить зажигание, проделать и отрегулировать то же самое со вторым цилиндром

Модулятор зажигание иж юпитер 5 своими руками. Электронное зажигание (БСЗ) на ИЖ Юпитер
Головной свет

Как настроить зажигание?
- Двухтактный, двухцилиндровый 347,6 двигатель;
- Воздушная или жидкостная система охлаждения;
- Механизм отключения сцепления в автоматическом режиме;
- Тормоза барабаны;
- 18 колеса;
- На руле обычная приборная панель (спидометр, лампочка зажигания и т.п.);
- Два амортизатора. Настройка зажигания на Иж Юпитер 5 должна производиться с соблюдением всех правил. Для этого необходимо знать точный алгоритм действий при проведении данного мероприятия. Поэтому в данной статье мы подробно опишем как выставить зажигание на иж юпитер-5.
Перестало работать через 8 км Коммутатор – в любом, защищенном от воды месте. Правильная установка элементов бсз позволит обеспечить искрообразование для двигателя Юпитер 5 в любую погоду.
Сомнительные качества
Купил Совек для ИЖ Планета 5. Монтируется довольно просто. Сложностей нет. Установил катушку от ваз 2109. Силиконовый провод. Все получилось с первого раза. Мотоцикл завелся с первой попытки. Работа на холоствх ровная. Уверенно набирает обороты.
Оне кажется на проводах они конечно скупились поэтому чтоб обезопасить себя от обрыва замотать их например изолентой или термоусадочьной трубкой.
Электронное зажигание самое первое что надо сделать с советскими и вообще со старым кулачковым зажиганием. Есть всевозможные варианты изготовления, возможно и самому искать запчасти от автомобилей, но такие готовые купил и забыл. Качества комплектующих достаточно

Заключительные действия
Бесконтактное зажигание на Иж Юпитер 5.
Можно гонять на мотоцикле не заботясь о его техническом состоянии. Но владельцы «железного коня» любят свои машины, бережно ухаживают, проводят необходимое обслуживание, проявляя истинную заботу о любимом друге.
Комментарии 16

мог бы и по подробнее про юпитер расписать, что за зажигание?
Да кто это читает… Всем картинки важно. Катушка от газели, датчик холла с жигулей, одулятор сам делал, комутатор тоже с жигулей…
1) покупаем готовые детали (Автомобильные «автопром»);
1) Датчик Холла от автомобилей ВАЗ (датчик Холла, он и в Африке датчик Холла от любой модели там только крепления отличаются ) БСЗ на ИЖ Юпитер 2 6вольт, 1 часть
2) Коммутатор для электронного зажигания ВАЗ (Я рекомендую ВТН 0529.3734. Он дороже, но на много надёжнее, проверено множеством коротких замыканий. Был у меня АСТРО и при первом же коротыше сгорел, а и чуть не забыл они почти все боятся спада клеммы с аккумулятора. ВТН нет.)
3)Бронепровода силиконовые высоковольтные с резиновыми колпачками: БСЗ на ИЖ Юпитер 2 6вольт, 1 часть
4)Катушка с Газели 406 или с ОКИ (двух выводная) (если на ней нет надписи «+»или»-«, то при подключении без разницы как подключать + и -)
5) Проводка Вазовская для БСЗ(приходим в магазин так и просим есть для ВАЗ 2101-07 и ВАЗ 2108-09 без разницы в принципе. можно и самому всё собрать, но это только время терять! )
Я хозяин Иж-Юпитер 3 хочу поставить себе БСЗ.Но по ссылкам захожу на сайты где напсано как сделать БСЗ на Юпитер 5. Юпитер 5 — 12В, Юпитер 3 надо на 6В БСЗ. Люди помогите как сделать БСЗ на 6 вольтовый Иж-Юпитер 3(Что бы было понятно ,а то понапишут бывают не разберешся ..)Жду ответа!
Я ставил следующие модели коммутаторов: 96.3734, 961.3734, 133.3734. Коммутатор 95.3734 можно поставить при условии замены ключевого транзистора на КТ898А, т.к. устанавливаемый в этот коммутатор КТ8231 обычно неработоспособен. Коммутаторы завода ВТН 0529.3734 и 0729.3734 часто имеют проблемы при работе в паре с данным зажиганием и лучше их не применять, хотя иногда они работают нормально.
На 6-ти вольтовую бортсеть тоже можно ставить 12-ти вольтовые автомобильные коммутаторы, но в таком случае работают они на нижнем пределе питания, и при просевшем аккумуляторе могут быть проблемы с пуском.»
свернуть ветку
Список радиоэлементов
Схемы и осциллограммы разряда накопительного конденсатора на первичную обмотку катушки зажигания: а — при частичной передаче энергии в катушку эажигания; б и в — при полной передаче энергии в катушку зажигания
Оценить статью

Установка электронного зажигания на иж юпитер 5 самостоятельно
Особенности технического обслуживания Чтобы восстановить его работоспособность необходимо выполнить следующую процедуру:
Настройка подходящих параметров
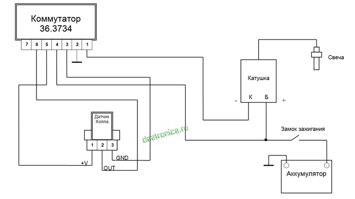
Настройка бсз на иж юпитер 5 также требует особого внимания. Включается зажигание с подключенным тахометром. После тридцати секунд на панели устройства должны появиться показатели 3000, 4000, 5000 оборотов в минуту. Если они имеются, то коммутатор работает правильно.
В остальных случаях следует обратить внимание на ранее заземленные свечи. Вставляем отвертку в разъем холла, после чего вытаскиваем. Искра должна появиться на свечах.
Если не удалось вызвать искру вышеописанными действиями, то причина некорректной работы в неправильности соединений.
Настройка выглядит следующим образом. Выкручивается индикатор часовой формы и подгоняется поршень цилиндра. Подключив вольтметр ко второму и третьему разъему, необходимо начать вращать ось модулятора. После того, как скачок от 7 до 0,1 вольта будет обнаружен, модулятор необходимо закрепить с помощью гайки. Обычно выставляют необходимый угол опережения.
Пробный запуск должен увенчаться успехом, если компоненты установлены своими руками в соответствии с инструкциями. Теперь можно использовать БСЗ.
Одноканальное БСЗ.
Наверняка есть много вариантов исполнения БСЗ, мы все их рассматривать не станем. Остановимся на самом простом, и наверняка самом распространенном в нашей стране варианте. Мотоциклетного рынка или мотомагазина, где можно купить заводское БСЗ, поблизости нет, токаря со станком рядом тоже нет. Исходить будем из этого.
Минимальный набор для установки
Но без минимального набора нам не обойтись, поэтому прежде чем начинать работу необходимо запастись следующими комплектующими, которые продаются в любом автомагазине или авторынке в нашей стране:
3. Комплект проводов для БСЗ от ВАЗ 2107 (с трамблера (датчика Холла) на коммутатор)
4. Катушка зажигания двухвыводная (от автомобиля Ока или Газель с двигателем ЗМЗ 406)
5. Два автомобильных силиконовых высоковольтных провода необходимой длины с колпачками для свечей (можно купить комплект для ВАЗ и взять оттуда, можно просто найти б/у провода, предварительно убедившись в их работоспособности)
Из инструмента могут понадобиться дрель со сверлами, напильники, зубило, молоток ну и другой инструмент, который, как правило, есть в любом гараже.
Процесс переделки
Демонтируем старую систему зажигания. Снимаем с мотоцикла пластину с контактами, конденсаторы, катушки зажигания с высоковольтными проводами. Коммутатор устанавливаем в правом бардачке.

Контрольные приборы
Справочно: с подобным генератором ИЖ Планета 5 не нуждался во внешнем источнике тока при запуске двигателя.
Поэтому, в состав электрооборудования аккумуляторная батарея не входила.
Процесс установки

Изготовление элементов зажигания на иж юпитер 5 своими руками
- пропадание зазора между контактами прерывателя;
- изменение геометрии контактов;
- не постоянное искрообразование;
- выход из строя изоляции высоковольтных проводов;
- нестабильная работа высоковольтной катушки;
- невозможность заведения двигателя при пониженном напряжении аккумулятора.
- искра не поджигает горючую смесь в цилиндре двигателя
Сомнительные качества На мотоцикле установлены следующие контрольные приборы:
