Система зажигания «Девятки»: все, что нужно знать автолюбителю

Каждый владелец «девятки» время от времени может сталкиваться с проблемами, связанными с работой двигателя. В большинстве случаев эти проблемы напрямую связаны с системой зажигания. Из этой статьи мы предлагаем вам узнать, что представляет собой схема зажигания автомобиля ВАЗ 2109 инжектор и карбюратор, как осуществляется регулировка зажигания в домашних условиях.
Теоретическая база
Система зажигания ВАЗ 2109 представляет собой совокупность устройств и узлов, связанных между собой и гарантирующих возникновение электрического разряда. Этот разряд в соответствии с электросхемой предназначен для воспламенения топливной смеси в цилиндрах двигателя. Модуль зажигания ВАЗ — это достаточно значимый узел в техническом оборудовании транспортного средства.
Наиболее важным параметром в работе зажигания ВАЗ является момент возникновения искры, определяющий правильность функционирования всего узла. Этот параметр называется моментом СЗ, поскольку именно он определяет время воспламенения горючей смеси в системе. Если момент будет выставлен неверно, это приведет к различным проблемам в функционировании «девятки».

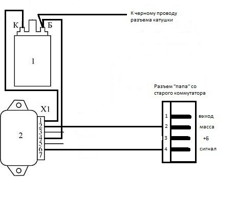
Схема коммутатора и катушки на автомобилях ВАЗ 2109, 2108, 21099
Чем грозят неисправности в зажигании?
Правильная работа системы в первую очередь зависит от того, как выставлен момент зажигания. Как показывает практика, на карбюраторных двигателях необходимо более точная регулировка момента. Неисправности, описанные ниже, могут возникать по различным причинам — это могут быть и неисправности форсунок, и другие проблемы. Но в первую очередь необходимо проверить порядок зажигания, правильно ли выставлен угол.
Ниже приведены основные неисправности, характерные для ВАЗ 21099 и 2109:
- Повышенная детонация мотора. Нажимая на педаль газа, водитель при этом будет слушать звенящий звук. Как правило, на ВАЗ 2109 инжектор или карбюратор такая проблема возникает у тех автовладельцев, которые ненадлежащим образом следят за своим транспортным средством. Одной из основных причин в данном случае является слишком ранее зажигания. Впоследствии это может привести не только к некорректной работе силового агрегата, но и возможной деформации поршневых колец.
- Появление черного дыма из глушителя при запуске мотора. Данная неисправность, как правило, свидетельствует о позднем зажигании. Чтобы решить проблему, необходимо правильно выставить угол опережения зажигания.
- Если мотор работает на холостых оборотах, он в целом функционирует неравномерно.
- Слишком поздняя настройка системы также может проявляться при нажатии на педаль газа. В этом случае силовой агрегат будет функционировать с перебоями, а когда водитель попытается нажать на педаль газа, могут проявляться провалы, то есть перестает на какое-то время работать. В итоге это может привести к неверному автомобильному ходу.
- Понижение тяги мотора, а также увеличение расхода бензина по сравнению с обычным режимом. При этом мотор не в состоянии быстро изменять режим функционирования. Все это говорит о неверной настройке СЗ, в частности, позднем зажигании. Основная причина связана с тем, что горючая смесь не может сгорать полностью (автор видео — Наиль Порошин).
Так что, если вы обнаружили один из признаков неисправностей, в первую очередь необходимо обратить внимание на зажигание ВАЗ 2109. Как показывает практика, проблема обычно заключается именно в нем.
Самостоятельная регулировка системы
Итак, для того, чтобы избавиться от неполадок, в первую очередь необходимо правильно выставить момент. Вам потребуется стандартный набор инструментов, включающий в себя отвертки и гаечные ключи. Чтобы приступить к процессу и выставить угол, заведите мотор и дайте ему прогреться до рабочей температуры, при этом обороты свободного хода должны быть не менее 800 в минуту.
Когда мотор прогреется, необходимо демонтировать силиконовую трубку, благодаря которой осуществляется разрежение со штуцера, ее основание установлено на карбюраторе. Свободный край нужно поднести к пальцу — если трубка к нему присосется, то это свидетельствует о наличии разрежения. Вам потребуется снизить число оборотов до того времени, пока разрежение не пропадет.

Выставление меток зажигания на автомобиле ВАЗ 2109
После этих действий заглушите мотор и перегните трубку, пока просвет полностью не исчезнет. Используя гаечный ключ, вам необходимо ослабить гайки, фиксирующие распределитель. Когда вы извлечете пробку и прочистите смотровой люк от грязи, вы сможете видеть полоски, по которым выставляется момент. Проверните маховик до того, пока он не совпадет с длинной полоской шкалы — такое положение говорит о том, что угол выставлен на нуле.
Теперь вам потребуется стробоскоп — именно с его помощью будет выставляться угол:
- Красный провод стробоскопа необходимо подключить к плюсовому выходу на катушке.
- Темный проводок подключается к массе.
- Фиксация осуществляется к проводкам на четвертом цилиндре. Ниже приведена подробная инструкция по выставлению угла зажигания на автомобилях ВАЗ 2108, 2109, 21099 (автор видео — Ремонт автомобиля своими руками).
Как правильно выставить угол?
Чтобы в работе вакуумного регулятора опережения зажигания не было проблем, производим выставление угла своими руками.
Для этого необходимо выполнить следующие действия:
- Сначала заведите мотор. Число оборотов в соответствии с данными тахометра должно быть не выше 800 в минуту. Если ваше транспортное средство не оборудовано тахометром, вам придется установить его дополнительно. Без этого устройства произвести настройку угла правильно будет невозможно.
- Посветите стробоскопом на смотровое окно, расположенное на люке.
- Учитывайте то, что наиболее длинная отметка маховика должна располагаться на уровне нулевой отметки. Вам необходимо определить положение на метке, характерной для топлива, которую вы используете.
Данный угол необходимо изменять от нулевого положения в сторону лобового стекла транспортного средства. Чтобы не допустить ошибок, следует несильно проворачивать корпус устройства в правую сторону. Благодаря этому угол опережения начинает увеличиваться, в то время как при движении влево он начнет уменьшаться. Чтобы точно определить, в какую сторону необходимо регулировать, используйте шкалу трамблера.
Каждое деление на шкале соответствует 8 градусам, так что для того, чтобы не допустить ошибок, процедура регулировки должна осуществляться медленно. После выставления правильного угла трамблер отключается и фиксируется в необходимом положении.
Видео «Как правильно выставить зажигание на автомобиле ВАЗ 2109»
Еще один вариант выставления зажигания, только без использования стробоскопа, приведен на видео ниже (автор видео — Наиль Порошин).
Извините, в настоящее время нет доступных опросов.