Не Горит Кнопка Стеклоподъемника Киа Рио Сульфатация пластин акб
Лампы Киа Рио 3, замена ламп ближнего и дальнего света, противотуманок
Автомобильная световая техника – комплекс приборов, которые обеспечивают безопасную езду. Лампы на Киа Рио 3 в фарах, фонарях и подсветках перегорают, разбиваются. Водители следят за состоянием осветительных приборов, неисправность которых влечет наказание по статье 12.20 КоАП.
Внешний осветительный комплект автомашины включает передние (головные) фары, задние фонари, габаритные (стояночные) огни, подсветки салона и номерного знака, стоп-сигналы.
- освещение дороги ночью и в плохую погоду (туман, снегопад);
- обозначение контура автотранспорта и направление его движения;
- предупреждение других участников дорожного движения о смене маршрута и скорости.
В международной практике автомобильное освещение основано на цветовой мнемонике. Головные огни — белые, задние фонари излучают красный свет, боковые – желтый.
Автомобиль оснащен световыми приборами, которые соответствуют его конструкции. На Kia Rio в передней оптике применяют:
- Приборы ближнего и дальнего света. Форма цоколя — На ближний свет приходится 55 Вт, на дальний – 60 Вт.
- Поворотники PY21W. Стекло окрашено, мощность — 21 Вт.
- элемент габаритного света W5W – 5 Вт.
В международной маркировке буква «Н» обозначает галогенные фары.
Галогеновые лампы ближнего света Киа Рио 2013 служат 600 часов, если в цепи стабильное напряжение.

Киа Рио не заводится, стартер не крутит. Причины отказа запуска
- Открывают капот.
- С тыльной стороны фары находят защитную крышку. Откручивают ее. Правая фара доступнее левой. Если к ней трудно подобраться, снимают блок предохранителей.
- В открывшемся пространстве на центральном месте находят лампу головного света. Отсоединяют от нее электропитание.
- Элемент удерживается пружиной-фиксатором. Ее выводят из зацепления нажатием пальца.
- Достают пришедшую в негодность лампу, ставят новую.
Какие лампочки стоят на Kia Rio, замена ламп Киа Рио 3 Втягивающее реле на Киа Рио расположено в очень грязном месте — на него постоянно попадают пыль и вода. А если учесть, что пусковой ток при пуске может доходить до 500 А, неудивительно, что контакты сгорают и стартер не крутит.
Из «бюджетки» в «полный пакет»: Доработки водительской зоны KIA Rio своими руками
Новое зажигание, подлокотник и прикуриватель сделают авто удобным.

Час работ и салон «Рио» посвежеет. Фото: Drive2
«Рио — король вторички», но условия комфорта для водителя в нём спартанские, даже на версии X-Line 4 поколения. Народные советы YouTube-блогеров помогут исправить недочёты и продлить любовь к старому автомобилю.
Заводить KIA Rio можно не с ключа, а нажатием кнопки, как на старших моделях вроде Optima. Для этого не нужно «колхозить» приборную панель и ходить с паяльником на радиорынок — запуск современного зажигания можно купить в китайском интернет-магазине.
Авто стало современней. Кадр: YouTube-канал «Виктор Брюханов»
Идёт кнопка «старт-стоп» в сборе с магнитолой на Android и камерой, устанавливается доработка легко: от штатного замка фишка перекидывается к кнопке.
«В комплекте идёт иммобилайзер, он прячется под руль и гарантирует дополнительную безопасность», — рассказал про доработки водительской зоны Виктор Брюханов на YouTube.
Подставка под руку в KIA Rio 3 низкая и держать руку при езде приходится на весу. Это неудобно и от нагрузки растёт риск возникновения аварии. Избежать проблем и доработать подлокотник поможет брусок дерева, синтепон, саморезы и отрез дермантина.
Этапы сборки подлокотника на KIA Rio 3:
- Соединить куски бруска, по размеру подлокотника;
- Обтянуть синтепоном, закрепить скотчем или стяжкой;
- Сверху обтянуть дермантином, завести швы вниз и скрепить строительным степлером;
- Заверлиться от старого подлокотника саморезами к новому.
Был: низким и тесным; стал: мягким, высоким и широким. Кадры: YouTube-канал Luan Production
«Подлокотник мягче, чем штатный получился», — рассказал о доработке до «полного пакета» блогер с YouTube-канала Luan Production.
Версию Rio X-Line лишили прикуривателя, превратив в «бюджетку» по функционалу. Пользы для здоровья оказалось мало — водители стали искать зажигалку и отвлекаться от дороги.
«Недостаточно просто воткнуть прикуриватель в питание, штатная розетка меньше прикуривателя в диаметре. Нужна ещё и специальная розетка, с термореле. Я купил прикуриватель от ВАЗовской классики в сборе и установил вместо одной из штатных розеток», — рассказал Игорь Курчатов с YouTube о создании удобства на своём KIA Rio 4.
Блоки предохранителей Киа Рио 4: схема, в салоне, под капотом Kia Rio 4
Электросхемы Киа Рио 4 / Kia Rio (Hyundai Solaris 2) При его отсутствии можно воспользоваться плоской отверткой, пластиковой карточкой, ногтями жены — у кого на что фантазии хватит. Но в случае с отверткой вы можете повредить, и скорее всего повредите пластик, в случае с карточкой вы не сможете нормально снять задний плафон и тот, что в багажнике, так как она слишком широкая; а в случае с женой вы рискуете получить (ман)дюлей.
Бензонасос
Моторное масло желательно менять перед зимой. Дело не только в его износе, но и вязкости. На зиму для Kia Rio лучше выбирать более жидкое масло. Зимой стартеру трудно крутить коленвал, находящийся в густом, замерзшем масле.

Вязкость моторных масел
Какую вязкость выбрать? Нужно думать правильно – не каждый мотор переваривает 0W. В случае с Киа Рио смотрим на допуски и видим, что наиболее «жидким» является масло 5W. Большинство владельцев Рио используют масла 5W30. Синтетика или полусинтетика — уже дело каждого.
Важно знать! Используя вязкое масло, двигатель будет испытывать масляное голодание при запуске — смазка не может пройти через насос в полном объеме. Спустя зиму, на таком двигателе могут образоваться задиры.
Замена лампочек салона киа рио 3
- Условия эксплуатации автомобиля. Яркий пример — езда на короткие расстояния. За 5–10 километров генератор не может восполнить заряд, утраченный АКБ за ночь простоя и пару запусков ДВС. Эксплуатируя машину в таком режиме, не ленитесь периодически подзаряжать АКБ зарядным устройством.
- Проблемы с генератором. Устройство может давать слабое или слишком большое напряжение. Нормальным считается напряжение 14,3-14,7 В без нагрузки. Если выше или ниже – имеется проблема. В случае с Киа Рио нужно «копать» в сторону регулятора напряжения.
Из «бюджетки» в «полный пакет»: Доработки водительской зоны KIA Rio своими руками СИГНАЛЬНЫЕ И ГАБАРИТНЫЕ ОГНИ, ОСВЕЩЕНИЕ НОМЕРНОГО ЗНАКА
Замена лампочек салона киа рио 3
- светодиодная лампа C8W длинной 30 мм (подойдут C5W и C10W светодиодные), лучше брать без радиатора, так как он может задеть контакты в плафоне.
- пластиковые лопатки для снятия плафона, (металлической отверткой тоже можно открыть, но она оставляет следы на корпусе плафона). Набор из 4 пластиковых лопаток стоит около 1 доллара на Али.
1.Подсовываем лопатку с прорези между плафоном и корпусом, со стороны кнопки. Затем отжимаем защелку плафона

Замена лампы плафона освещения салона
2. Вынимаем старую лампу (если перед этим была включена может быть очень горячей)
Замена лампы плафона освещения салона
3. Ставим новую светодиодную соблюдая полярность (или покупаем универсальную лампу, где полярность не влияет)
Замена лампы плафона освещения салона
4. Проверяем работу новой светодиодной лампы
Замена лампы плафона освещения салона
5. Устанавливаем обратно плафон, сначала вставив пазы со стороны заднего сиденья и защелкнув у кнопки
Замена лампы плафона освещения салона
Лампы стоят своих денег, лично я приобретением очень доволен и всем советую.
Итак, как поменять лампочки в салоне Kia Rio 4 (FB) самому и без труда, потратив при этом максимум 500 рублей, подробная инструкция с отзывом:
Процедура максимально простая, те, кто делал это в других машинах, поймут интуитивно, как это делается здесь. Для тех, кто интересуется, можно и нужно ли это делать, отзыв о лампочках, разгорании и так далее — в конце. Для остальных рассказываю:
При его отсутствии можно воспользоваться плоской отверткой, пластиковой карточкой, ногтями жены — у кого на что фантазии хватит. Но в случае с отверткой вы можете повредить, и скорее всего повредите пластик, в случае с карточкой вы не сможете нормально снять задний плафон и тот, что в багажнике, так как она слишком широкая; а в случае с женой вы рискуете получить (ман)дюлей.
Почему не горят стоп сигналы: как быстро найти и устранить причину
Лампы, установленные в задних фарах Kia Rio Как проверите, вставляете обратно черный коробок, ставите все обратно и наслаждаетесь нормальным светом в багажнике.
Предохранители в салоне Киа Рио 4

Где находятся плавкие вставки в салоне? Силовой блок предохранителей в салонном пространстве Киа Рио 4 поколения смонтирован со стороны водителя, в левой нижней части относительно рулевого колеса.
Каждый защитный элемент имеет буквенное или символьное обозначение.
Далее указаны цепи защит с буквенным обозначением:
Предохранители Киа Рио 4 поколения E-CALL (4), ACC (7), MODULE 1 (38), 2 (37), 3 (30), 5 (25), 6 (17), 7 (19), BRAKE SWITCH (23) и CLUSTER (44) имеют номинал плавкой вставки десять ампер.
Тексты об обслуживании и ремонте Kia Rio 4 поколения в отдельной рубрике.
Подсветка номерного знака
Как не «убить» авто, удаляя катализатор: Инструкция на примере LADA Granta

Тормозные лампы и их патроны
- подогрев топливного фильтрующего элемента – PTC HEATER;
- стартер;
- бензонасос – FUEL PUMP;
- дворники 1, 2;
- дальний свет;
- охлаждающий вентилятор № 1, 2 радиатора силового агрегата Киа Рио 4 поколения;
- система кондиционирования;
- вентилятор кондиционера;
- блок-фары;
- сигнал.
Какие лампы лучше для Киа Рио Авто стало современней. Кадр: YouTube-канал «Виктор Брюханов»
Электрические схемы

В любом другом случае вид на все разъемы со стороны выводов.
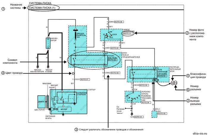
(4) Обозначение цвета провода:
| Обозначение | Цвет провода |
| В | черный |
| Br | коричневый |
| G | зеленый |
| Gr | серый |
| L | синий |
| Lg | светло-зеленый |
| T | желтовато-коричневый |
| O | оранжевый |
| P | розовый |
| R | красный |
| W | белый |
| Y | желтый |
| Pp | фиолетовый |
| LI | светло-синий |
| X/Y | «X» цвет провода, «Y» цвет полосы на проводе (двухцветный провод) |
Жгуты проводов классифицируются по месту расположения в автомобиле.
| Символ | Наименование жгута проводов | Расположение |
| A | Жгуты проводов подушек безопасности и системы кондиционирования | Под облицовкой заборника системы вентиляции и на полу |
| C | Жгут проводов управления электроотопителем | Моторный отсек, пассажирский салон |
| D | Дверные жгуты проводов | Двери |
| E | Жгут проводов двигателя и аккумуляторной батареи | Моторный отсек |
| F | Напольный жгут проводов | Пол |
| M | Главный, консольный жгут проводов | Пассажирский салон |
| S | Жгут проводов сидения | Сидение |
Обозначение разъема состоит из буквы – обозначения жгута проводов, соответствующее его месторасположению, и номера разъема.
- Номер, соответствующий вспомогательному разъему (порядковый номер)
- Номер, соответствующий главному разъему (порядковый номер)
- Буква, указывающая на расположение жгута проводов (жгут проводов двигателя)
| Обозначение | Цвет провода |
| В | черный |
| Br | коричневый |
| G | зеленый |
| Gr | серый |
| L | синий |
| Lg | светло-зеленый |
| T | желтовато-коричневый |
| O | оранжевый |
| P | розовый |
| R | красный |
| W | белый |
| Y | желтый |
| Pp | фиолетовый |
| LI | светло-синий |
| X/Y | «X» цвет провода, «Y» цвет полосы на проводе (двухцветный провод) |
Сигнализация
Для замены лампы в плафоне освещения салона нам понадобится:
Замена лампы плафона освещения салона
Световозвращающий жилет для водителя: обязательно ли он нужен
Есть 3 основные причины, почему лягушка или концевик может не работать:
Несмотря на несколько разные процессы, суть неисправности одна и та же. Устранить ее можно путем зачистки лягушки, либо же за счет замены включателя стопов.
Если же ни один из вариантов не подходит, высока вероятность того, что проблема заключается в повреждении электропроводки транспортного средства. Тут уже сами решайте, пытаться решить вопрос своими силами, либо обратиться за помощью к квалифицированным специалистам.

Учитывая сложность электросхем современных автомобилей, более правильным решением будет визит к проверенному автоэлектрику. Но окончательный выбор за вами.
Спасибо всем за внимание! Обязательно подписывайтесь, оставляйте комментарии, задавайте вопросы и приглашайте к нам своих друзей!
Как не «убить» авто, удаляя катализатор: Инструкция на примере LADA Granta
Сульфатация пластин АКБ

Предохранители в салоне Киа Рио 4
- Возникли проблемы с плавкими предохранителем. Он окислился или полностью вышел из строя;
- Есть неисправности в самих лампах или одной лампе, в зависимости от того, сколько стопов не работает;
- Причина кроется в механизме, ответственном за включение предупредительного сигнала при нажатии тормоза;
- В гнезде, куда устанавливается лампочка стопа, окислились контакты;
- Появились более серьезные проблемы, связанные с повреждением проводки.
Автомобильные дворники: выбираем конструкцию щеток стеклоочистителя Каталитический нейтрализатор рано или поздно даёт о себе знать в любой машине с ДВС. Тогда автовладелец встаёт перед выбором: регулярно покупать новую деталь или избавиться от неё раз и навсегда.
