Как Сделать Чтобы Поворотники Горели Ваз 2110… Цена вопроса
Как сделать габариты поворотниках ваз. Как просто сделать «американские поворотники» своими руками
Не очень давно автомобилисты придумали способ, который выделяет их автомобиль из общей массы — это установка габаритных огней в поворотные фары. Это несложная процедура внешнего тюнинга. Также можно не только выполнить обмен этих фар друг с другом, но и продублировать те или другие.
Прежде чем узнать, как правильно самостоятельно выполнить подключение габаритов к поворотникам, необходимо знать, что за это положены штрафы. Введено это в силу того, что путаница с огнями может ввести других участников дорождного движения в заблуждение. Поэтому эта процедура запрещена органами Государственной Автомобильной Инспекции.
- простые граждане заплатят 2,5 тысячи рублей;
- должностные лица будут оплачивать от 15 до 20 тысяч рублей:
- юридические же лица за такое нарушение будут платить просто колоссальные штрафы — от 400 до 500 тысяч рублей.
Помимо штрафов происходит конфискация оборудования. При этом транспортное средство запрещается к эксплуатации, а номерные знаки снимаются. Поэтому, как видите, наказание за такой тюнинг довольно строгое. Делать это будете на свой страх и риск.

Как проверить реле поворотов ваз 2110 — АвтоТоп
Расположение масс в салоне автомобиля

Устранение падения напряжения в ВАЗ 2110, 2111, 2112
- Прокладываем провода габаритных огней к цоколю.
- Выполняем замену лампочки на новую.
- Далее будем подключать провода к лампочкам. С помощью паяльника выполняем припаивание:
первый провод — один общий минус на оба габаритных огня; - второй — плюсовой провод габаритных огней;
- третий — плюсовой провод поворотных огней:
- Далее нам необходимо подключить провода к самим фарам:
минус соединяем с минусом поворотных фар; - плюсовой провод от лапочки соединяем также с плюсом поворотных фар;
- второй плюсовой провод подключаем к плюсу габаритных огней.
- Накручиваем на провода изоляцию и укладываем их.
- Проверяем работу огней. В этом случае менее ярко будут гореть габаритные огни, а ярче — поворотные.
Как сделать габариты поворотниках ваз. Как просто сделать «американские поворотники» своими руками Подключение сигнала через реле решает сразу же множество проблем, главная из которых – электролиз проводов по причине неблагоприятных условий эксплуатации автомобиля (грязь, влага).
Причины выхода из строя поворотников и аварийки

Как известно, схема указателей поворотов и аварийной сигнализации завязана, поскольку обе функции выполняют одни фары. Если по каким-то причинам аварийка работает, а поворотники нет, либо не горят ни повороты, ни световая сигнализация, это может привести к созданию аварийной ситуации на дороге.
По каким причинам перестали работать эти элементы:
- Выход из строя предохранителя — одна из самых распространенных проблем. Если автомобиль дополнительно оснащен реле, отвечающим за работоспособность этих оптических элементов, то проблема может заключаться и в нем. В зависимости от модели авто, реле может находиться отдельно от основного блока предохранителей, для поиска вышедшей из строя детали воспользуйтесь схемой.
- Замыкание в системе. Из-за этого при включении поворотных огней включается аварийка либо оптика вовсе не реагирует на команды водителя. Для диагностики неисправности вам потребуется тестер, а также навыки электрика.
- Выход из строя источника освещения. Иными словами — перегорела лампочка.
- Обрыв электроцепи. Такая проблема актуальна для многих автовладельцев более старых машин. Если провода уложена в месте, где присутствуют движущиеся элементы, то со временем она перетрется и потеряет изоляцию, что в целом приведет к повреждению электроцепи.
- Выход из строя кнопки либо подрулевого переключателя. В данном случае нужно проводить более тщательную диагностику переключателя, а также кнопки подключения.
Американки на ваз 2114 через двухконтактный патрон.
- Повороты не мигают, но горят. Такая неисправность свидетельствует о выходе из строя именно реле, в частности, речь идет о его электромагнитной составляющей. Сам электромагнит мог замкнуться в одном из положений, в результате чего он не может вернуться в начальное состояние.
- Поворотные огни мигают очень быстро либо очень медленно. В таком случае проблема может крыться не только в реле. В некоторых случаях неисправность такого рода проявляется тогда, когда водитель использует не соответствующие источники освещения. Так что при покупке новых лампочек нужно удостовериться в том, что они соответствуют номиналу, установленному заводом-производителем авто.
- Оптика не работает вовсе. То есть лампочки поворотных огней не мерцают, на приборке соответствующие индикаторы также не горят. Помимо этого, нет характерных щелчков, которые появляются при включении поворотных огней. При таких симптомах причин проблемы может быть множество, подробнее об их диагностике мы расскажем ниже (автор видео — канал Steel Horse).
Не моргают поворотники при включении сигнализации и постановке Автомобиль: ВАЗ-2110.Спрашивает: Алексей Антипов. Суть вопроса: не мигает аварийка и не включаются поворотники, почему, на ВАЗ-2110?
Элементы управления
Далее выбирайтесь из салона и посмотрите, не заработал ли поворотник надлежащим образом. Если да, то придется менять переключатель, поломки в нем обычно чисто механические и ликвидировать их нереально – конструкция не предусматривает. Когда же ничего не случилось – ищите далее.
В целом остается только две версии, объясняющие, почему не работает поворотник:
Чтобы проверить кабели, необходимо снять с аккумулятора минусовую клемму. Далее, начиная с переключателя, осматриваются (и параллельно прозваниваются мультиметром) все жилки. Повреждения изоляции и обрывы устраняют. Желательно заменять негодные участки новым целым проводом, так как в противном случае риск повторного отказа исключить полностью не получится.
Когда поворотник ВАЗ не работает и все предыдущие действия ситуации не исправили, то остается заняться кнопкой аварийки. Эта причина тем более вероятна, чем старше автомобиль. Известны ситуации, когда из управляющего устройства со временем просто выпадали контакты, если машина передвигалась на достаточно большой скорости по ухабам.
Кнопку разбирают и осматривают. Все обнаруженные неполадки устраняют. Если это невозможно, то придется установить новую. Цена у нее, по счастью, невысока.

| Если в автомобиле начинает глючит электрика, то одной из причин такого недуга может быть плохое крепление массы аккумулятора (АКБ). Десятка имеет особенности креплений масс в зависимости от двигателя и года выпуска автомобиля. Проверяем все точки крепления минусового провода: |
Типичные неисправности поворотников и их устранение
- Первый ход, как подсоединить сигнал через реле: снять клемму «-» с аккумулятора.
- Далее надо снять звуковой сигнал, а на его место установить реле.
- Варианты соединения проводов
Замыкание габаритов на лампу поворотника
Если у габаритов желтый цвет, тогда свет от поворотников будет с ним сливаться, если цвет белый, тогда на фоне основных габаритов поворотники станут выделяться
Решение проблемы с отсутствием аварийной сигнализации.
Если у вас перестали работать какие-то приборы на автомобиле ВАЗ 2110 или ВАЗ 2112, виной тому могут быть предохранители или реле. По крайней мере, первым делом нужно проверить их, а затем делать какие-то выводы относительно неисправностей.
Правильная диагностика многих проблем с электрикой позволит точно определить причину неработоспособности того или иного узла.
Чтобы узнать, за что отвечают предохранители и реле ВАЗ 2110 — 2112 и как найти нужный из них, прочитайте эту статью.
Как и во многих других автомобилях, в ВАЗ-2112 и ВАЗ-2110 при заглушенном двигателе приборы питаются напрямую от аккумулятора. При работающем двигателе напряжение на приборы подаётся с генератора, который одновременно и заряжает аккумулятор.
Если сила тока превысит допустимое значение или произойдёт короткое замыкание, предохранитель цепи перегорает. Мощные электроприборы подключаются через реле.
Блок предохранителей и реле
Блок предохранителей и реле находится в левой, нижней части панели приборов. Доступ к нему открывается, если нажать на кнопку и откинуть крышку вниз.
Для снятия предохранителей в левой верхней части монтажного блока имеются специальные токонепроводящие щипцы.
- Если не работает дальний свет в двух фарах, проверьте это реле. Если не работает одна из фар дальнего света, проверьте предохранители F3 и F13, а также лампы и ручку включения дальнего света.
- Если не работает ближний свет в обоих фарах, проверьте это реле. Если не работает только одна фара ближнего света, проверьте предохранители F2 и F12, а также сами лампы и выключатель света.

Видео по теме «lada Granta. Подрулевые переключатели»
Что такое американские габариты Читайте также: Замена катализатора на пламегаситель. Основные плюсы и минусы, также мой небольшой видео отзыв
“Американские габариты” своими руками
Доброе время суток уважаемые читатели, на днях загорелось у меня сделать свою машину немного американской, и решил сделать габариты в поворотники, вариантов такой операции не много, например такие: 1) Врезать второй цоколь и запитать его от заводских габаритов, но такой мануал меня не устраивал, т.к. при включении поворотника он горит ярче-тускнее.
2)— Поставить двух нитевую лампочку (затрудняет то что двух нитевых лампочек желтого цвета тяжело найти, и к тому же результат тот же что и в первом варианте.
3)— вариант который выбрал я, и наиболее сложный (создание двух режимов поворотных лампочек с помощью 5-ти контактного реле, диода и конденсатора). О всех своих действиях я и попытаюсь вам рассказать.
Первым делом идем в магазин электро деталей и покупаем там:

Инструменты и материалы
- Во-первых, они в темноте обозначают края машины, что является немаловажным моментом. Так, например, на грузовиках габаритные огни расположены посередине, что является очень неудобным для других участников движения.
- Во-вторых, американские габаритные огни изначально были созданы для парковки. Также эти габаритные огни в условиях недостаточной видимости помогают увидеть автомобиль.
Дополнительный патрон в поворотную фару 2 – рычаг переключателя очистителя и омывателя ветрового стекла:
Как сделать, чтобы поворотники горели постоянно?
Светодиодные лампы – это полупроводниковые элементы, светящиеся под воздействием электрического тока. Основной элемент в них – кремний. В зависимости от того, какие примеси используются, меняется цвет лампочек.
Инструменты и материалы
Чтобы изготовить бегущий поворотник своими руками, понадобятся следующие инструменты:
Последовательность выполнения работы
Перед тем, как сделать поворотники, нужно выбрать подходящую схему.

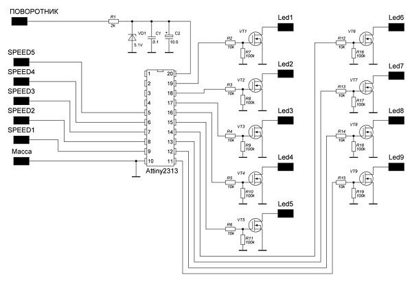
Схема изготовления бегущих поворотников
Затем на основании схемы изготовить печатную плату и нанести на нее разметку для размещения будущих элементов.
Сборка состоит из последовательности действий:
- Сначала следует обесточить авто, отключив отрицательную клемму от АКБ.
- Далее необходимо снять старые указатели поворотов и аккуратно их разобрать.
- Старые лампочки следует выкрутить.
- Места стыков следует очистить от клея, обезжирить, вымыть и дать просохнуть.
- На место каждого старого элемента устанавливается новый поворотник бегущий огонь.
- Далее сборка и установка фонарей производится в обратном порядке.
- После установки подключаются провода.
На следующем этапе в сеть включается дополнительный стабилизированный источник питания. На его вход поступает питание с промежуточного реле, а выход соединяется с диодом. Разместить его лучше в панели приборов.
Гибкие светодиодные ленты ДХО
При включении поворотов перегарает предохранитель.
Схема подключения указателей поворотов и аварийной сигнализации ВАЗ 2110.

Виды работ
- дополнить горящие поворотники габаритами, переместив их с передних фар;
- вставить дополнительные габаритные лампы на переднюю оптику;
- изменить цвет габаритных ламп на желтый или белый;
- использовать гибкие ДХО с функцией поворотника.
Суть переделки В электрическую цепь поворотников ВАЗ-2110 входят:
