Не Горит Правый Габарит Киа Спектра • Блоки в салоне
Снятие и установка монтажных блоков Kia Spectra 2000-2011
Предохранители
| Номер на схеме | Максимальный ток, А | Защищаемая обслуживаемая цепь |
| 1 | 20 | Группа 1 потребителей, получающих питание при включенном зажигании |
| 2 | 30 | ABS |
| 3 | 30 | Питание предохранителей 34 и 35 |
| 4 | 30 | Группа 2 потребителей, получающих питание при включенном зажигании |
| 5 | 20 | Стартер |
| 6 | 30 | Питание предохранителей 15 и 20 |
| 7 | 30 | Вентилятор системы охлаждения двигателя |
| 8 | 20 | Вентилятор системы отопления и кондиционирования |
| 9 | 30 | Стартер |
| 10 | 30 | Вентилятор отопителя |
| 11 | 30 | Кондиционер |
| 12 | 10 | Электрокорректор фар |
| 13 | 15 | Аварийная сигнализация |
| 14 | 25 | Центральный замок |
| 15 | 30 | Система ABS |
| 16 | 15 | Электропривод люка в крыше |
| 17 | 25 | Электростеклоподъемники правых дверей |
| 18 | 25 | Электростеклоподъемники левых дверей |
| 19 | 15 | Стеклоочиститель и омыватель заднего стекла |
| 20 | 10 | Плафон освещения салона |
| 21 | 25 | Фары |
| 22 | 15 | Катушка зажигания |
| 23 | – | Резерв |
| 24 | 15 | Фары |
| 25 | 10 | Диагностический датчик концентрации кислорода |
| 26 | 10 | Датчик концентрации кислорода |
| 27 | 10 | Топливный насос |
| 28 | 10 | Форсунки |
| 29 | 10 | Кондиционер воздуха |
| 30 | 10 | Электрообогрев наружных зеркал |
| 31 | 10 | Автоматическое включение габаритных огней |
| 32 | 10 | Задние противотуманные фонари |
| 33 | 10 | Передние противотуманные фары |
| 34 | 10 | Габаритные огни правого борта |
| 35 | 10 | Габаритные огни левого борта |
| 36 | 15 | Ближний свет фар |
| 37 | 15 | Дальний свет фар |
| 38 | 15 | Звуковой сигнал |
| 39 | 30 | Электрообогрев заднего стекла |
| 41 | 10 | Резерв |
| 42 | 15 | Резерв |
| 43 | 20 | Резерв |
| 44 | 25 | Резерв |
| 45 | 30 | Резерв |
| Номер на схеме | Защищаемая обслуживаемая цепь |
| 50 | Фары |
| 51 | Фары |
| 52 | Топливный насос |
| 53 | — |
| 54 | Кондиционер воздуха |
| 55 | Звуковой сигнал |
| 56 | Питание предохранителей 34 и 35 |
| 60 | Электростеклоподъемники |
| 61 | Вентилятор отопителя |
| 62 | Стартер |
| 63 | Вентилятор системы охлаждения двигателя |
| 64 | Вентилятор системы отопления и кондиционирования |
| 65 | Электрообогрев заднего стекла |

Почему горят предохранители в машине: причины, устранение
Нюансы решения проблемы в дороге

Схемы электрооборудования KIA SPECTRA — инструкция
- Включить стояночный тормоз, выключить зажигание, снять клемму с минусового полюса аккумулятора.
- Открыть крышку блока, нажав на фиксатор со стороны воздушного фильтра.
- Открутить гайку со стороны левого крыла и снять со шпильки клемму.
- Поджать фиксатор и вытащить деталь из кронштейна.
- Выкрутить крепежный болт из голубой квадратной колодки и отсоединить ее.
- Повторить шаг № 5 с остальными крупными колодками.
- Отсоединить малые колодки, поджав их фиксаторы отверткой.
- Отвести провода в сторону и снять кронштейн, поджав отверткой фиксаторы у основания.
- Подключить колодки и установить снятые компоненты в обратном порядке.
Предохранители Kia Spectra: схема, расположение блоков Перечисленные параметры противоречат друг другу, и приемлемое соотношение достигнуто в продукции брендов, давно присутствующих на рынке. Постоянно держите в автомобиле запас предохранителей различных номиналов.
Основные причины перегорания
Страховые компании, собирающие статистику, выяснили, что свыше 90% всех пожаров автомобилей вызваны неисправностями бортовой проводки и применением предохранителей неудовлетворительного качества или «жучков».

Вероятными причинами перегорания являются:
- короткое замыкание (КЗ) непосредственно в нагрузке (потребителе);
- КЗ в проводке, вызванное нарушением изоляции и замыканием на корпус;
- повышение напряжения бортовой сети;
- использование неверного номинала;
- плохое соединение с контактами колодки;
- физико-химический износ.
Короткое замыкание в электрической цепи
Чаще других причин перегорание плавкой вставки происходит из-за КЗ. Сопротивление электропроводящего участка сильно понижается, а величина тока возрастает в десятки или сотни раз. К такой ситуации приводят:
- нарушения изоляции проводки вследствие сильного нагрева;
- попадание воды на незащищенные участки под напряжением;
- механические повреждения узлов;
- неверное подключение нагрузки.
Превышение допустимого предела силы тока
Повышение силы тока сверх допустимого предела отличается от короткого замыкания природой роста и продолжительностью воздействия. К такой ситуации приводят:
- подключение нагрузки, превышающей расчетное значение;
- работа потребителя в трудных условиях, например вытаскивание машины, застрявшей в грязи, электрической лебедкой.
Плохое соединение с колодкой
Ненадежный контакт с колодкой приводит к образованию искр в этом месте, избыточному нагреву материала и перегоранию легкоплавкой вставки. Возникает при использовании деталей неудовлетворительного качества, у которых толщина ножек меньше нормы или контактная группа утратила пружинистые свойства.
Износ
Этот процесс в первую очередь вызван окислительными процессами, атмосферным влиянием. С течением времени коррозия разрушает материал вставки, нарушаются контакты, что приводит к прерыванию электроснабжения потребителей.
Нарушение пути подачи тока в цепи
Сила тока в цепи рассчитывается заранее и не превышает заданных величин при исправном оборудовании. Однако механические повреждения проводов, контактов, нарушения изоляции по разным причинам изменяют величину нагрузки и влияют на распределение тока в цепи.
Нарушения пути протекания в большей части случаев приводят к возрастанию силы тока.
Выбран неверный предохранитель
По ошибке вместо штатного может быть установлен предохранитель с меньшим номиналом. Тогда даже при исправном оборудовании величина протекающего тока превысит предельное значение используемой детали, и плавкая вставка в скором времени перегорит.
Предохранители Kia Spectra: Схема, Расположение Блоков
- цилиндрические;
- ножевые (форматов «мини», «стандарт», «макси»);
- термические (с тепловой и электромагнитной защитой) и ручным возобновлением подачи электричества;
- ленточные, для сильноточных цепей.
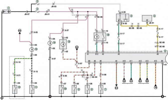
Не горит стоп-сигнал: возможные причины, решение проблемы и рекомендации Схема 7. Соединения электрокорректора фар и фонарей заднего противотуманного света Kia Spectra (Киа Спектра): 1 – аккумуляторная батарея; 2 – предохранитель A. FOG (10 А); 3 – предохранитель HLLD (10 А); 4 – электрокорректор правой фары; 5 – электрокорректор левой.
Сообщающие о неисправности
Значок аккумулятора загорается, если падает напряжение в бортовой сети, часто такая проблема связана с отсутствием заряда аккумуляторной батареи от генератора, поэтому его еще могут называть «значок генератора». На автомобилях с гибридным двигателем такой индикатор дополняется надписью «MAIN» внизу.
Значок двигателя, некоторые водители его могут называть «значок инжектора» или check, может гореть желтым цветом, когда работает двигатель. Он информирует о наличии ошибок двигателя и неисправности его электронных систем. Для определения причины его появления на табло приборной панели производят самодиагностику или компьютерную диагностику.
Значок свечей накала может загораться на приборной панели дизельного автомобиля, значение такого индикатора точно такое же, как и значка «чек» на бензиновых авто. Когда в памяти электронного блока нет никаких ошибок, то значок спирали должен тухнуть после прогрева двигателя и отключения свечей накала. Как проверить свечи накала читайте тут.
Этот материал является информативным для большинства автовладельцев. И хотя здесь не представлены абсолютно все возможные значки всех существующих машин, Вы сможете самостоятельно разбираться в основных обозначениях приборной панели авто, и не будите бить тревогу, когда увидите, что вновь горит значок на панели.
Сохраните себе шпаргалку по значкам на панели приборов, чтобы знать, о чём сообщает Ваш автомобиль.

Блок реле
Реле и предохранитель прикуривателя Седан Kia Spectra производился в 2000, 2001, 2002, 2003, 2004, 2005, 2006, 2007, 2008, 2009 и 2010 году. В нашем материале Вы найдёте описание предохранителей и реле Киа Спектра со схемами блоков, фото — примерами исполнения и местами их расположения. Отметим предохранитель отвечающий за прикуриватель.
Предохранители Киа Спектра и реле с описанием назначения и схемами блоков
Седан Kia Spectra производился в 2000, 2001, 2002, 2003, 2004, 2005, 2006, 2007, 2008, 2009 и 2010 году. В нашем материале Вы найдёте описание предохранителей и реле Киа Спектра со схемами блоков, фото — примерами исполнения и местами их расположения. Отметим предохранитель отвечающий за прикуриватель.
Актуальные схемы блоков для Вашей Киа Спектра будут нанесены на крышку блока. Сверяйте назначение элементов.
Блоки в салоне
Блок предохранителей
Он находится на левой стойке под панелью приборов со стороны водителя, за защитной крышкой.
Предохранитель прикуривателя обозначен как CIGAR на 15А.
Блок реле
Крепится за блоком предохранителей. Количество элементов в нём может отличаться и зависит от уровня электрического оснащения. Рядом размещён модуль иммобилайзера.
Тут могут находится такие реле как: реле аварийной сигнализации и указателей поворота, реле сигнала, реле центрального замка, реле управления двигателем, реле противотуманных фар и т. д.
Блок под капотом
Он расположен рядом с аккумулятором и закрыт защитной крышкой.

| Номер | Расшифровка |
| 1 | Поворотники |
| 2 | Контрольные лампы приборов |
| 3 | Резерв на автоматику коробки передач |
| 4 | АБС |
| 5 | Подушка безопасности водителя |
| 6 | Стеклоочиститель и омыватель лобового стекла |
| 7 | Штатная магнитола |
| 8 | Служит для питания прикуривателя |
| 9 | Подогрев сидений |
| 10 | Подача напряжения на ЭБУ |
| 11 | Стоп-сигналы – магистраль ламп. |
| 12 | Автоматика выключения габаритов. |
Неисправность генератора автомобиля
Основные причины Такая неисправность может возникать периодически и связана с износом всего генератора. Если на ВАЗ 2115 не горят стоп-сигналы и часто происходят другие поломки, следует также подумать о его замене на более надежный автомобиль (в отдельных случаях это выгоднее, чем постоянно вкладывать деньги в бесконечные ремонты).
В чем опасность и угроза
Казалось бы, если постоянно горит задний ход, в этом нет ничего страшного. Но это не совсем так.
Представьте ситуацию, когда вы движетесь на своем автомобиле вперед, но при этом включены фонари заднего хода. Водитель, следующий за вами, видит ориентир и сигналы, которые подает ваше транспортное средство. Он уверен, что вы движетесь назад, из-за чего совершает соответствующий маневр, начинает резко тормозить, поворачивать в сторону и пр.
К чему это может привести? Экстренное торможение ведет к тому, что водитель позади не успевает затормозить. Как результат, авария, серьезное ДТП со всеми вытекающими последствиями.
Если водитель решит резко повернуть, поскольку горячая лампа заднего хода его введет в заблуждение, тут также можно столкнуться с попутным транспортом, либо налететь на какие-нибудь дорожное препятствие.

Основные виды
Месторасположение

Приборная доска
- Залипание датчика . Речь идет о датчике заднего хода. Он же выключатель заднего хода. Именно он отвечает за активацию и деактивацию лампы при включении и выключении задней передачи;
- Неисправности проводки . Либо же проводка, которая соединяет задние фонари с этим датчиком, вышла из строя, произошло какое-то замыкание, обрыв и пр. Как итог, лампочка не выключается после завершения маневра задним ходом, либо вообще включается сразу при запуске зажигания.
Нарушение пути подачи тока в цепи Выполнение названных правил позволит реже прибегать к замене предохранителей.
14а. Система отопления и кондиционирования
Схема 14а. Система отопления и кондиционирования Kia Spectra (Киа Спектра): 1 – аккумуляторная батарея; 2 – плавкая вставка IG2 (30 A); 3 – плавкая вставка BLOWER (30 A); 4 – плавкая вставка ROOM (10 A); 5 – выключатель (замок) зажигания; 6 – плавкая вставка.
Схема 14б. Система отопления и кондиционирования Kia Spectra (Киа Спектра): 1 – исполнительный механизм переключателя режимов отопления и кондиционирования; 2 – исполнительный механизм регулировки температуры; 3 – блок управления отопителем; 4 – переключатель температур.

Соединения фар головного света и передних противотуманных фар
Ближний и дальний свет Сегодня рассмотрим первую ситуацию. Нельзя сказать, что это большая редкость для современных автомобилей. Но и чрезмерно часто с такой проблемой водители не сталкиваются.
Неисправность стоп-сигналов совместно с другими указателями

Иногда причиной, почему не горит стоп-сигнал на автомобиле, бывает сбой в работе электроники. В этом случае машину лучше отвезти на станцию техобслуживания.
Встречаются также исключения, например, когда попадается бракованная лампочка. Кроме того, лампы могут перегореть вследствие естественного износа. В этих случаях проблема решается путем простой их замены.
Не стоит забывать о том, что обращаться нужно только в проверенные мастерские. Зачастую вмешательство неквалифицированных работников приводит к появлению дополнительных неисправностей.
С помощью мультиметра
Действия в случае возникновения неполадок

Подводим итоги
- дефектная или перегоревшая лампочка;
- обрыв в электропроводке или разъемных соединениях; вследствие короткого замыкания или перегрузки в бортовой сети;
- неисправность концевого выключателя;
- неполадки в электронных системах или блоках.
Соединения антиблокировочной системы тормозов (ABS) Корпус деталей намеренно изготавливается из прозрачного материала и обрыв, распыление, другие случаи повреждения определяются невооруженным глазом. Сразу следует обращать внимание на целостность плавкой вставки. Далее ищутся следы оплавления пластмассового корпуса. На неисправность детали могут указывать следы термического, искрового воздействия на контакты.
