С Ниссан Альмера Классик Ошибка P0550 © Причины p0132
Nissan Almera — все его неисправности
«За рулем» изучил биографию седана, который, по сути, представляет собой люксовую модификацию Renault Logan первого поколения, и выяснил, насколько правы те, кто утверждает, что Альмера надежнее Логана.
НА КОНВЕЙЕРЕ: с 2012 по 2018 год; заводской индекс G15
КУЗОВ: седан
РОССИЙСКАЯ ГАММА ДВИГАТЕЛЕЙ: бензиновый, Р4, 1,6 л (102 л.с.)
КОРОБКИ ПЕРЕДАЧ: М5, А4
ПРИВОД: передний
На глобальной платформе B0 построено немало автомобилей, среди которых особняком стоит Renault Logan первого поколения. Однако не все проекты стали успешными. На закате карьеры «первого» Логана маркетологи альянса Renault-Nissan запустили на нашем рынке, можно сказать, его люксовую модификацию под названием Nissan Almera (индекс G15). В конце 2012 года начали сборку на АВТОВАЗе.
Несмотря на все это, Almera является ликвидной на вторичном рынке. И она очень распространена в такси, что тоже говорит о проявляемом к машине интересе.
Для машин, выпущенных в период с февраля 2013‑го по октябрь 2017 года, действует технический бюллетень. Цель его выпуска — устранение шумов в салоне (стук, громыхание), исходящих от опоры заднего правого амортизатора при движении автомобиля по неровной дороге. Это не отзывная кампания, работы проводят только в случае жалобы клиента и подтверждения неисправности при тест-драйве.
Зазор между радиаторами двигателя и кондиционера довольно быстро забивается грязью. Желательно промывать теплообменники хотя бы раз в 60 тыс. км. Первый симптом загрязненности радиаторов — недостаточная эффективность работы кондиционера, особенно в пробках. Из-за этого он может даже отключаться.
Лампы передних габариток живут недолго, а менять их не очень-то удобно. В отличие от Ниссанов более высокого класса, оптика не страдает от явных запотеваний.
На машинах первых годов производства может быть плохо приклеено заднее стекло. Это приводит к протечкам воды в салон и появлению всяческих посторонних звуков (скрип, хруст, стук). По этому поводу объявляли отзывную кампанию. Если в результате осмотра дилеры обнаруживали зоны отсутствия праймера на стекле, его срезáли и переклеивали.
На машинах первых годов производства может быть плохо приклеено заднее стекло. Это приводит к протечкам воды в салон и появлению всяческих посторонних звуков (скрип, хруст, стук). По этому поводу объявляли отзывную кампанию. Если в результате осмотра дилеры обнаруживали зоны отсутствия праймера на стекле, его срезáли и переклеивали.
Антикоррозионная обработка кузова — добротная. За все время жизни модели в России очаги ржавчины пока не появлялись. Не страдает даже зона под декоративной накладкой на крышке багажника. Качество лакокрасочного покрытия соответствует ценовому уровню автомобиля.
Задние ручные стеклоподъемники имеют особенность: для полного закрытия форточки нужно довернуть ручку до характерного упора, иначе стекло может самопроизвольно опуститься, возникнет щель в пару миллиметров, — через нее в салон может попадать вода, а также заметно повышается уровень шума.

Ошибка P0340: расшифровка, возможные причины, методы устранения
Ошибка P0132 — пошаговое руководство по диагностике и ремонту Определение кода ошибки p 0340 – неисправность цепи датчика положения распределительного вала. Поэтому, при наличии этого кода на дисплее приборной панели следует приступить к проверке этой детали как можно скорее, чтобы не эксплуатировать автомобиль в аварийном режиме.
Что означает ошибка P0132?
Двигатель внутреннего сгорания воспламеняет углеводородное топливо (HC), смешанное с кислородом (O2), используя полученную энергию для вращения двигателя.
Поток выхлопных газов в идеале состоит из воды (H2O), углекислого газа (CO2) и непрореагировавшего азота (N2). К сожалению, из-за несоответствий в работе двигателя, температуры воздуха и топлива, состава топлива и ряда других факторов химия выхлопных газов может быть далека от идеальной.
Например, чрезмерная температура в цилиндре может привести к образованию оксидов азота (NO и NO2). Чрезмерно высокое отношение топливно-воздушной смеси (ТВС) может привести к повышению уровня несгоревшего углеводорода. Другие условия могут привести к образованию окиси углерода (CO), озона (O3) и твердым частицам размером менее 10 мкм или 2,5 мкм (PM2,5 и PM10).

Чтобы уменьшить эти выбросы от сгорания, модуль управления двигателем (ECM, PCM) контролирует температуру воздуха и топлива, массу и расход всасываемого воздуха, частоту вращения и нагрузку двигателя и многое другое для точной настройки соотношения ТВС, фаз газораспределения, тактов зажигания и другое.
Тем не менее, даже этих элементов управления недостаточно для предотвращения образования некоторых вредных выбросов. Поэтому последний шаг — это трехкомпонентный каталитический нейтрализатор. Химический фильтр, который преобразует вредные выбросы в более безопасные соединения.
Несгоревшие выбросы HC и PM2,5 и PM10 объединяются с CO, O3, O2 для производства H2O и CO2. Контроллер сравнивает показания датчика кислорода до и после катализатора для контроля его работы.
Передний датчик кислорода перед катализатором используется в основном как обратная связь для точной настройки количества топлива, но также используется ЭБУ для проверки нейтрализатора.
При обычной работе контроллер увеличивает и уменьшает количество топлива, всегда пытаясь сделать отношение ТВС 14,7:1, используя датчики кислорода для проверки.
Нормальные показания кислородного датчика обычно колеблются несколько раз в секунду — высокий / низкий сигнал. Если катализатор работает должным образом, датчики кислорода с подогревателем (HO2S) практически не будут колебаться.
Каждые несколько секунд контроллер будет подавать топлива выше или ниже нормы, на что датчики кислорода будут реагировать, показывая более высокое или более низкое напряжение, чем обычно.
Если каталитический нейтрализатор исправен, показания нижнего/второго датчика кислорода практически не меняются. Если же напряжение второго датчика O2 изменяется в то же время, что и напряжение переднего, ЭБУ определяет, что катализатор не работает должным образом, и активирует ошибку, связанную с функцией нейтрализатора.
Банк 1 и Банк 2 говорят о том, какой это блок цилиндров, левый или правый, если это V-образный двигатель. Банк 1 всегда содержит цилиндр № 1.
Самодиагностика неисправностей и расшифровка кодов ошибок Nissan Qashqai, Tiida, Primera, Note, Murano и другие
- Неисправность датчика кислорода. Наиболее распространенной причиной является неисправность самого датчика. Постоянно подверженный воздействию выхлопных газов и температуры, датчик O2 имеет типичный срок службы менее 5 лет.
- Неисправность электрической цепи. Поскольку провода подвергаются воздействию окружающей среды, жгуты, разъёмы и сам датчик могут быть физически повреждены в результате внешних воздействий. Вода и коррозия также являются распространенными причинами.
Nissan Almera G15 — все проблемы — журнал За рулем Видеоролик от Алексей Никитин демонстрирует самодиагностику на Вингроаде 1999 года выпуска с 1,8 литровым бензиновым двигателем.
Современные недорогие автомобильные сканеры
Для обнаружения ошибок Almera Classic можно использовать простые и недорогие сканеры. Как уже упоминалось выше, одна из таких моделей — ELM327. Достоинства устройства:
ELM327
Во время диагностики на смартфоне или планшете автоматически отключается мобильный интернет, что является единственным недостатком.
Ниже будут представлены несколько более дешевых версий диагностических адаптеров.
Рассматриваемая модель работает без телефонов и персональных компьютеров. Ошибки отображаются на ярком ЖК-экране. Плюс преимущества адаптера:
Запустите CReader V+
К недостаткам можно отнести небольшой размер экрана.
Модель сканера с русифицированным ПО. Он имеет небольшие размеры, при этом способен обнаруживать около трех тысяч неисправностей. Может использоваться на автомобилях с 1996 года. Результаты диагностики можно сохранить или распечатать. Недостатков сканера не выявлено, но вероятность приобретения пиратской копии высока.
Несмотря на невысокую цену устройства, его также часто используют на заправках. Это связано с расширенной функциональностью, позволяющей вести непрерывную запись параметров. Это обеспечивается флэш-картой. К недостаткам сканера можно отнести большой размер.
Delphi DS150E
Ошибка Р0120: код, что означает, как исправить
- нужно проверить, что под педалью акселератора ничего нет, в том числе коврик.
- дальнейшие операции могут производиться как на приборе холодоснабжения, так и на отапливаемом.
- Когда вы приземлитесь в Almera Classic, вам нужно будет сделать паузу не менее десяти секунд. После этого ключ в замке зажигания поворачивается в первое положение, двигатель не запускается. Есть три секунды.
- В течение следующих пяти секунд необходимо совершить пять полных нажатий на педаль акселератора, избегая рывков. После того, как вы завершите крайнее нажатие на педаль, вам следует отсчитать семь секунд.
- Затем педаль акселератора нажимается до упора. Примерно через десять секунд загорится индикатор Check Engine. Как только он погаснет, отпустите педаль акселератора.
- На этом этапе проверяется процедура считывания ошибок, если таковые имеются. Это может показаться сложным, но на самом деле все просто. Каждая неисправность имеет четырехзначный код. В этом случае отсутствие неисправностей сопровождается кодом — 0000. Система Almera Classic выдает цифры в виде вспышек световой индикации Check Engine. Цифра ноль излучается десятью медленными вспышками, а все остальное быстро мигает, равным числу. Вспышки повторяются по кругу, важно внимательно считать каждую вспышку лампочки. После этого осталось взломать код и приступить к устранению неполадок.
Ошибки Ниссан Альмера: диагностика, самодиагностика, устранение
Чтобы исключить регулярное повторение такой проблемы, на отечественном авто рекомендуется сразу заменить жгут на более качественный.
Как правильно расшифровать?
На ранних машинах Ниссан, например, на Примера P11 полученную ошибку с комбинации приборов необходимо перевести в двоичный код, который расшифровывает тип неисправности. Пример расшифровки кода ошибки Nissan с кодом 141 ниже.
Расшифровка кода ошибки 141 на Ниссан Примера Р11
Кроме того, часть ошибок можно расшифровать по таблице, не переводя их в двоичный код.
Четырехзначные коды более современных машин можно расшифровывать по таблицам, которые постоянно актуализируются производителем.
Датчики
На самых новых Nissan X Trail T31 выпуска от 2014 года и новее встречается ошибка датчика курсовой устойчивости C1145. При замене этого датчика нужно внимательно смотреть как был установлен старый, поскольку функционирует он только в одном положении.
Проблемы с двигателем
На Nissan AD часто встречаются проблемы с установленным на них дизелем YD22. Коды ошибок на этой машине выводятся при помощи перемычки в диагностическом разъёме. Перечень возможных ошибок ниже.
Коды ошибок Nissan AD, часть 1 Коды ошибок Nissan AD, часть 2
Двигатель QR20 используется на многих машинах Ниссан, в том числе и на Almera Classic, на которой бывает ошибка P0340. Для аналогичного двигателя на Х Трейл T30 типичны следующие ошибки.
Неполадки в электропроводке
На дизельном Ниссан Кашкай 2009 года с 1,5-литровым дизелем наблюдалась ошибка C1130 совместно с C1131. Причина была в окислившихся контактах на блоке системы ESP и на датчике отработавших газов. Изредка встречается ошибка B2082, связанная с неисправностью датчиков в спинке пассажирского сидения.
Неисправности CAN-шины
Прочие проблемы
На автомобилях Ниссан часто встречается ошибка подушки безопасности водителя B1049. Причиной такой проблемы на одном Ниссан X Trail 2008 года выпуска являлся поврежденный шлейф в руле. После замены шлейфа проблема исчезла. Не стоит затягивать с заменой такой детали, поскольку из-за неисправной подушки водителя неправильно функционирует вся система безопасности автомобиля.
Что означает ошибка Р2135 и как её исправить
- Включить зажигание и выждать 3 секунды.
- Нажать и отпустить 5 раз на педаль газа в течение 5 секунд.
- Через 7 секунд после последнего нажатия еще раз полностью утопить педаль газа и удерживать ее в течение 10 секунд.
- Если все сделано правильно то на комбинации приборов Nissan Primera P12 начнёт мигать пиктограмма Check Engine.
- Отпустить педаль газа.
- Мигание пиктограммы показывает коды ошибок в четырёхзначном формате. Первая цифра кода показывается длинными вспышками, затем идут цифры второго символа и т. д., которые показываются короткими вспышками. Между индикацией цифр дается перерыв 2 секунды. Число вспышек равно значению цифры в коде ошибки, кроме цифры 0 — она обозначается десятью вспышками. Если ошибок несколько, то они будут выводиться последовательно.
- Сбросить ошибки можно нажав на педаль газа на 10 секунд, оставаясь в режиме диагностики. Значок Check Engine покажет индикацией код 0000.
- Выключить зажигание.
Каковы симптомы ошибки p0340 Например, чрезмерная температура в цилиндре может привести к образованию оксидов азота (NO и NO2). Чрезмерно высокое отношение топливно-воздушной смеси (ТВС) может привести к повышению уровня несгоревшего углеводорода. Другие условия могут привести к образованию окиси углерода (CO), озона (O3) и твердым частицам размером менее 10 мкм или 2,5 мкм (PM2,5 и PM10).
Как избавиться от ошибки p0340
Даже если отсутствуют какие-либо внешние проявления нестабильной работы системы впрыска и зажигания топлива, при наличии ошибки p340, рекомендуется как можно скорее восстановить работоспособность системы мониторинга автомобиля.
Устранение ошибки p0340 возможно следующим образом:
- Отключить минусовую клемму аккумулятора на 10 – 20 секунд. Если после подключения электрического источника и сканирования системы снова появится ошибка датчика положения распредвала, то следует выполнить более детальную диагностику. Если таким образом получится полностью устранить проблему, то это будет означать, что ЭБУ было получено ложное сообщение о неисправности сенсора.
- Проверить контакт проводов и защелки датчика. При необходимости следует восстановить качество крепления сенсора, закрутив гайку рекомендованным моментом затяжки, а также очистить контакты от ржавчины и окисления.
- Мультиметром проверить целостность проводов идущих от сенсора к ЭБУ.
- Проверить работоспособность датчика положения распредвала.
- Проверить датчик коленвала.
Если в результате проведенных исследований будет выявлена техническая проблема, то после ее устранения исчезнет и ошибка p0340. В противном случае, потребуется выполнить диагностику электронного блока управления.
Определение кода ошибки p0340
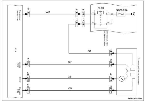
Определение кода ошибки p 0340 – неисправность цепи датчика положения распределительного вала. Поэтому, при наличии этого кода на дисплее приборной панели следует приступить к проверке этой детали как можно скорее, чтобы не эксплуатировать автомобиль в аварийном режиме.
Находится датчик положения распредвала на автомобилях 16 и 8 клапанов у первого цилиндра. Если эксплуатируется машина с дизельным двигателем, то такой датчик должен находиться у каждого поршня.
Общие ошибки при диагностировании кода p0340
При попытке найти причину появления ошибки p340 можно допустить неточности, которые могут стать причиной увеличения времени, затраченного на эти цели. Наиболее часто неопытные мастера пренебрегают проверкой целостности проводов, ведущих от сенсора к ЭБУ.
Ошибка при попытке найти неисправности camshaft position sensor также могут заключаться в игнорировании рекомендаций проверки датчика коленвала, которые работает в паре с ДПРВ.
Какой ремонт может исправить ошибку p0340
Ремонт camshaft position sensor может быть выполнен своими руками. Устранить появление ошибки p0340 можно следующим образом:
- Осуществив монтаж нового датчика положения распредвала.
- Установив новые провода, идущие от сенсора к ЭБУ.
- Заменив датчик положения коленвала.
- Установив новый электрический блок управления.
Если необходим ремонт электронного блока управления, то для выполнения этой работы лучше обратиться в мастерскую. Учитывая сложность этой детали и важность ее правильной установки и настройки, следует привлекать для этой цели только высококвалифицированных специалистов.
Как избавиться от ошибки p0340
- Сигнал от датчика на ЭБУ не приходит в течение более 5 секунд.
- Сигнал от датчика не приходит на электронный блок при частоте вращения коленвала более 600 об/мин.
Диагностика и признаки ошибки Ошибка датчика распредвала всегда вызывает повышенный расход топлива поэтому, чем раньше будет устранена техническая проблема, тем быстрее нормализуется этот параметр и работа восстановленного мотора финансово оправдает вложенные в ремонт деньги.



