Как Сделать Чтобы Горели Поворотники Ваз 2107 – Процесс установки
Рассеиватель белый правый указателя поворота на ВАЗ 2108-21099
Что было куплено: Рассеиватели (2шт.) – по 40р. за штуку Герметик черного цвета (2 шт.) – по 60р. за штуку Оранжевые лампочки – (2шт.) – 50р. пара Обезжириватель (был дома) ИТОГО: 250 руб.
Что надо иметь под рукой: Нож Отвертку Мыльный раствор Резиновые перчатки Изоленту Тряпки
Итак, 1. Советую отсоединить проводку фары, предварительно запомнив расположение всех проводов.
2. Отклеиваем стекло. Заводской герметик отдирается с трудом. Но если прорезать ножом в нужным местах (между стеклом и пласмассой фары), то стекло вынимается быстро. А вот само сдирание, очищение стекла и самой фары от этого герметика заняло много времени. Были применены нож и отвертка
Читайте также: § 82. Принцип действия тепловых двигателей. Коэффициент полезного действия (КПД) тепловых двигателей (окончание)
На самом деле в процессе работы возникает много мелочей, которые и не упомнишь, но я старался запомнить все важные.

Реле поворотов ваз 2107 ремонт — Авто Брянск
Типичные неисправности поворотников и их устранение

Белый поворотник ваз 2107
- Рассеиватели (2шт.) – по 40р. за штуку
- Герметик черного цвета (2 шт.) – по 60р. за штуку
- Оранжевые лампочки – (2шт.) – 50р. пара
- Обезжириватель (был дома)
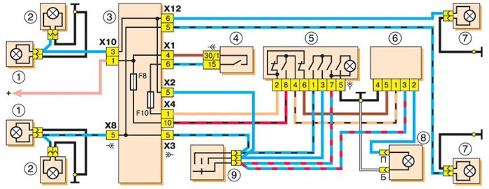
Замена реле поворотов автомобиля ВАЗ 2107 самостоятельно Для проверки и прозвонки проводов проводов при поиске обрыва можно использовать эту схему (она подойдет и для ВАЗ 2107 и для 2104).
Неисправности сигналов поворотов ВАЗ 2107
Главный признак неисправности — неработающие указатели поворотов. Однако, причина может заключаться не только в реле. Вариантов поломки несколько:
- Лампы поворотов постоянно горят, не мигают. Это говорит о неисправности электромагнитно части реле поворотников ВАЗ 2107 — контакты застряли в замкнутом положении и не размыкаются. Это может быть как пригорание контактов электромагнитного реле, так и выход из строя электронной схемы реле поворотов. Независимо от конкретной причины, выход один — замена реле поворотов ВАЗ 2107.
- Лампы мигают слишком медленно или быстро. Причина может быть как в электронной части реле поворотов, так и несоответствии тока потребления ламп номинальному. Если одна из ламп перегорела или установлены лампы, потребляющие меньший ток, то повороты станут мигать чаще, чем необходимо. Такое же явление происходит, если оборван провод, идущий к одной из ламп, или окислен патрон или цоколь лампы. Аналогичное явление происходит при установке светодиодных ламп вместо ламп накаливания. При установки более мощных ламп частота мигания уменьшается. Если все лампы исправны и неисправность проявилась не после замены ламп, причина кроется именно в реле поворотов или плохих контактах в цепи питания ламп.
- Лампы указателей поворотов не горят. Причина неисправности может быть в поломанном переключателе поворотов, сгоревшем (неисправном) реле поворотов, в обрыве цепи или в перегоревшем предохранителе. Проверку лучше начинать с последнего

Ваз 2107 щелкает реле поворотов — Автомобильный портал AutoMotoGid
Тюнинг

Постоянно горит лампочка поворотника: мнения автовладельцев
- открыть крышку монтажного блока;
- поддеть отверткой и извлечь старое реле;
- установить новое реле;
- закрыть крышку монтажного блока.
Как работают поворотники Следует также отметить и тот факт, что помимо прерывистого режима работы, реле поворотов издают звуковые сигналы в виде щелчков, которые помогают водителю. По этим щелчкам водитель понимает, что устройство функционирует в данный момент.
Что делать, если постоянно горят лампочки поворотников
Работа поворотников сопровождается индикацией на панели приборов и звуком динамика. Что же делать, когда контрольная лампочка горит постоянно или не горит вовсе при включении указателей поворота?
Схема включения света фар ВАЗ-2113, 2114 и 2115

Схема включения фар и противотуманного света:
Схема включения габаритных огней ВАЗ-2113, 2114 и 2115
Схема включения указателей поворота и аварийной сигнализации ВАЗ-2113, 2114 и 2115
Схема включения указателей поворота и аварийной сигнализации:
Подойдет для ВАЗ 2108, 2109, 21099, 2113, 2114, 2115 и на другие ВАЗы, думаю, тоже.
В общем давно хотел сделать, начитавшись д2 на эту тему, понял, что врезать патрон от повторителя точно не хочу, а вот через реле круто, но я не шарю в электирке, так что решил ставить двухконтактные патроны и лампочки.
Лампочки нашел во втором магазине, а вот патроны искал долго, магазинов 70 обзвонил, в итоге сначала купил от 2101, а потом эти случайно нашел.
От патрона идет два плюса и один минус. Желтый(+) подключил на габарит и пропустил через дырки оставшиеся после ксенона, другие без проблем встают в фишку поворотника. И вытащил лампочку из стокового габарита.
На габарит идет слабый свет (5W), на поворотник яркий (21W).
У кого-то не подходит патрон и нужно подспилить ушки, у меня все встало хорошо.
Что потребовалось:Патроны двухконтактные — 200р.Лампы двухконтактные — 80р.Набор клем и проводов (необязательно) — 80р.
#7 Дед Пахом
- мигание светом фар встречному водителю: впереди опасность или выключи дальний свет.
- короткое включение аварийной сигнализации означает благодарность за пропуск в соседний ряд или извинение за резкий маневр.
Как производится замена устройства
мерить напряжение на клеммах АКБ. и плотность электролита.
Диагностика неисправностей поворотников
Если однажды поворотники перестают функционировать, то это говорит о том, что пришло время провести диагностику автомобиля. Для этого нет необходимости ехать на СТО, а можно выполнить все в домашних условиях. О том, что механизм перестал функционировать, говорят следующие признаки:
- При включении поворотники горят, но при этом не происходит их мерцание. Такой вид поломки связан непосредственно с выходом из строя реле. Для исправления неисправности требуется заменить прерыватель.
- Ускоренное или замедленное мерцание поворотников. Ускоренное мерцание говорит о том, что перегорела спираль одной из ламп. Медленное мерцание свидетельствует о том, что в схеме подключена минимум одна лампа большей мощности, чем рекомендуется. Многие автомобилисты с появлением современных светодиодных ламп стремятся установить их на авто. При установке светодиодных ламп в поворотники наблюдается слишком быстрое их мерцание, это связано с их низкой потребляемой мощностью.
- Устройства вовсе не функционируют. Причина может заключаться в неисправности реле, предохранителя, подрулевого переключателя или кнопки включения аварийки. Схема подключения выполнена так, что питание поворотников проходит через кнопку включения аварийки. Если кнопка неисправна, то и повороты не будут функционировать.

Для наглядности представим схему указателей поворотов и аварийки для семерки. В нее входят:
- указатели поворота расположенные на передних крыльях авто(боковые);
- монтажный блок;
- замок зажигания;
- кнопка аварийки;
- рассматриваемое реле;
- лампочки поворотников расположенные в задних фонарях;
- лампочка на панели приборов, сигнализирующая о включении поворотов;
с лампочками указателей поворота;
Белые повторители на ваз 2107
- Нужно снять приборную панель, поддев ее при помощи отвертки.
- После этого пробуем вытянуть ее на незначительное расстояние, если имеется такая возможность. Если длина проводов не позволяет вывести панель на некоторое расстояние, то соединения следует разъединить.
- Отвинтить трос привода спидометра.
- Найти визуально реле, и отсоединить от него контактные провода.
- Также от него отсоединяем «массу» после чего устройство демонтируем.
- Вместо старого прерывателя поворотов следует установить новое реле.
- В завершении собрать и подключить все демонтированные детали в порядке обратном снятию.
Диагностика неисправностей поворотников 2. Отклеиваем стекло. Заводской герметик отдирается с трудом. Но если прорезать ножом в нужным местах (между стеклом и пласмассой фары), то стекло вынимается быстро. А вот само сдирание, очищение стекла и самой фары от этого герметика заняло много времени. Были применены нож и отвертка
Расположение реле поворотов ВАЗ 2107
В зависимости от типа питания двигателя (карбюратор или инжектор), реле может располагаться за приборной панелью или в монтажном блоке, находящемся под капотом. Конструкция реле одинакова на всех модификациях ВАЗ 2107, но порядок процедура замены отличается в зависимости от места установки.
Конструкция реле не предусматривает возможности его ремонта. При обнаружении неисправности необходимо выполнить замену детали.
Если реле находится в монтажном блоке, для его замены достаточно выполнить простые действия:
- открыть крышку монтажного блока;
- поддеть отверткой и извлечь старое реле;
- установить новое реле;
- закрыть крышку монтажного блока.
[tip]Если реле находится за приборной панелью, заменить его намного сложнее. Во избежание замыкания лучше отсоединить провод “массы” от аккумулятора. Замена реле поворотников выполняется следующим образом:[/tip]
- Открутить и снять кнопку (рукоятку) счетчика суточного пробега.
- Демонтировать декоративные ручки с рычагов управления отопителем салона.
- Снять декоративную заглушку с самореза крепления приборной панели.
- Выкрутить саморез.
- Отщелкнуть крепления приборной панели, поддев ее отверткой.
- Отщелкнуть колодки проводов с панели приборов.
- Вручную открутить трос спидометра.
- Демонтировать приборную панель.
- Отстыковать клеммы проводов от реле поворотом.
- Открутить гайку крепления реле.
- Подключить клеммы проводов
- Установить реле на место и затянуть гайку крепления.
- Подключить клеммы проводов к приборной панели.
- Прикрутить к приборной панели трос спидометра.
- Установить панель на место, защелкнув крепления.
- Закрутить саморез, фиксирующий приборную панель.
- Установить декоративные ручки на рычаги управления отопителем.
- Прикрутить рукоятку счетчика суточного пробега.
- Установить декоративную заглушку на саморез.
После этого необходимо подключить провод массы к АКБ. Замена реле поворотников на этом завершена.
#1 Дед Пахом
P.S. мм, у форума новый дизайн. Хм. Непривычно.
#2 AnDmitrAl

Просмотр Гаража
P.S. мм, у форума новый дизайн. Хм. Непривычно.
#3 Дед Пахом
Только и всего? А с чего оно разрядилось вдруг? Я вчера до дома ехал два с лишним часа, генератор работает же.
Хотя закрадываются мысли такие.
Аккумулятору для зарядки требуется провод массы? Я-то кинул провод от места, где минусовая клемма крепится к корпусу, второй конец на коллектор (там где петля у меня болталась, я полагаю, петля для вывешивания движка). Может, он тупо не заряжается теперь?
Я-то грешил на релешку, которая трещит. Понятия не имею, что за релешка, правда))
Необходимые инструменты и пошаговые фото
- Лампы поворотов постоянно горят, не мигают. Это говорит о неисправности электромагнитно части реле поворотников ВАЗ 2107 — контакты застряли в замкнутом положении и не размыкаются. Это может быть как пригорание контактов электромагнитного реле, так и выход из строя электронной схемы реле поворотов. Независимо от конкретной причины, выход один — замена реле поворотов ВАЗ 2107.
- Лампы мигают слишком медленно или быстро. Причина может быть как в электронной части реле поворотов, так и несоответствии тока потребления ламп номинальному. Если одна из ламп перегорела или установлены лампы, потребляющие меньший ток, то повороты станут мигать чаще, чем необходимо. Такое же явление происходит, если оборван провод, идущий к одной из ламп, или окислен патрон или цоколь лампы. Аналогичное явление происходит при установке светодиодных ламп вместо ламп накаливания. При установки более мощных ламп частота мигания уменьшается. Если все лампы исправны и неисправность проявилась не после замены ламп, причина кроется именно в реле поворотов или плохих контактах в цепи питания ламп.
- Лампы указателей поворотов не горят. Причина неисправности может быть в поломанном переключателе поворотов, сгоревшем (неисправном) реле поворотов, в обрыве цепи или в перегоревшем предохранителе. Проверку лучше начинать с последнего
Где найти реле на ВАЗ-2107 Конечный результат проделанной работы показан на фотографии ниже:

