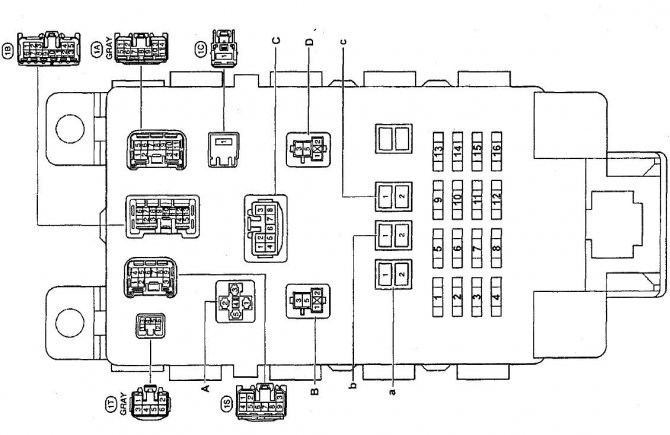
Ошибка Р0031 Тойота Ленд Крузер 100 Схема соединений
P2196 Код сигнала датчика O2 смещен / заедает богатым (ряд 1, датчик 1)
Сигнал датчика A / F O2 смещен / застревает в обогащенном состоянии (блок 1, датчик 1)
Этот код является общим кодом трансмиссии. Он считается универсальным, поскольку применяется ко всем маркам и моделям транспортных средств (с 1996 года и новее), хотя конкретные этапы ремонта могут немного отличаться в зависимости от модели.
На некоторых автомобилях, таких как Toyota, это фактически относится к датчикам A / F, датчикам соотношения воздух / топливо. По сути, это более чувствительные версии кислородных датчиков.
Этот код конкретно относится к датчику между двигателем и каталитическим нейтрализатором (а не тому, который находится за ним). Банк №1 — это сторона двигателя, в которой находится цилиндр №1.
Примечание: этот код неисправности очень похож на P2195, P2197, P2198. Если у вас несколько кодов DTC, всегда исправляйте их в том порядке, в котором они появляются.

Ошибка P0051 Подогреваемый кислородный датчик 1, банк 2, управление нагревателем — низкий уровень сигнала
- Неисправность датчика кислорода (O2) или соотношения A / F или нагревателя датчика
- Обрыв или короткое замыкание в цепи датчика O2 (проводка, жгут)
- Давление топлива или проблема с топливной форсункой
- Неисправный PCM
- Утечки всасываемого воздуха или вакуума в двигателе
- Неисправные топливные форсунки
- Давление топлива слишком высокое или слишком низкое
- Утечка / неисправность системы PCV
- Неисправно реле датчика A / F
- Неисправность датчика массового расхода воздуха
- Неисправность датчика ECT
- Ограничение забора воздуха
- Давление топлива слишком высокое
- Неисправность датчика давления топлива
- Неисправность регулятора давления топлива
- Обратите внимание, что для некоторых автомобилей, в которые были внесены изменения, этот код может быть вызван изменениями (например, выхлопная система, коллекторы и т. Д.).
Предохранители Toyota Land Cruiser Prado 120 и реле с описанием и схемами блоков Основная доля цепей питания электрооборудования защищается тумблерами и плавкими вставками. Детали располагаются в кузовных отсеках и на приборном коммуникаторе, на консоли за пластиковой крышкой машины. Расскажем, где находятся блоки, и как устроены предохранители Прадо 120.
Блок предохранителей
Он находится в нижней части панели приборов, за защитной крышкой.

Пример схемы с обратной стороны крышки
За прикуриватель и розетки отвечают предохранители под номерами 24 (CIG) и 12 (PWR OUTLET).
Помогите Ошибка P0606 и C1201
- Блок управления кондиционером (автоматический кондиционер (автомобили без навигации))
- Усилитель транспондера ключа
- Блок предохранителей
- Блок управления электронной регулируемой подвеской
- Блок управления контролем устойчивости (VSC A/T)
- Блок управления электрооборудованием кузова
- Блок управления противоугонной системой
- Распределительный блок №1
- Распределительный блок №2
- Усилитель вязкостного подогревателя
- Компьютер транспондера ключа
- Распределительный блок №3
- Блок управления контролем устойчивости (VSC M/T)
- Блок управления кондиционером (автоматический кондиционер (автомобили с навигацией))
Блок управления кондиционером (механический кондиционер) - Блок управления двигателем (M/T)
Блок управления двигателем и автоматической коробкой передач (A/T) - Блок управления блокировкой центрального дифференциала
Блок управления блокировкой заднего дифференциала - Блок реле
- Блок сетевого шлюза
- Блок управления навигацией
- Усилитель холодильника
- Блок управления блокировкой селектора коробки передач
- Аудио усилитель
- Блок подушек безопасности
P2196 Код сигнала датчика O2 смещен / заедает богатым (ряд 1, датчик 1) — описание, симптомы, причины ошибки Механизм состоит из нескольких различных компонентов, но код P0021 DTC конкретно относится к газораспределительным механизмам распределительного вала (кулачков). В этом случае, если ГРМ кулачков выше заданного предела (слишком высокий). То ошибка двигателя появится на панели, а код ее будет записан в память.
Ошибки КПП Toyota Corolla
Для Тойоты Короллы 2006, 2007 и более поздних годов выпуска характерны проблемы с коробкой передач, особенно часто они случаются с модификациями, оснащенными роботом-вариатором. При этом на приборной панели загорается чек неисправности КПП, и компьютерная диагностика может выявить следующие проблемы:
- Ошибка P0909, означающая нарушение работы кулисного механизма. В механической коробке выбор передачи выполняется посредством электропривода (актуатор), который состоит из пары электромоторов, датчиков хода и шестеренки, приводящей вал включения нужной передачи в движение. Появление кода ошибки Р0909 означает, что неисправен датчик хода, сам актуатор или шарнир/вилка, которые отвечают за процесс переключения.

- P0810. Ошибка говорит о неправильном поведении электродвигателя: приборы регистрируют ток сцепления более 22 А в течение 2 с, положение сцепления отклоняется от нормы на 0.3 мм и больше, а перемещение механизма происходит слишком медленно. При коде P0810 ошибка управления может происходить в результате повреждения актуатора, неисправности ТСМ или датчика хода.
Если проблема произошла при установке нового привода в сборке, перед этим следует отрегулировать зажим механизма, иначе Р0810 (ошибка управ.) не удастся убрать.
- При замене датчика требуется провести настройку электроники для трансмиссионной системы. Если указанные действия не помогают, и лампа не гаснет, следует заменить систему ТСМ, чтобы ошибка Р0810 не смогла больше вылететь.
- P0920. Этот код говорит о неисправности в электроцепи переключающего привода, обеспечивающего работу передач переднего хода. При этом напряжение, подаваемое на актуатор КПП, слишком низкое или отсутствует; при проверке следует выяснить состояние электромотора, ТСМ, проверить электрику на предмет короткого замыкания.
- P0751. Данная команда сообщает о том, что электромагнитный клапан заклинивает, когда КПП находится в выключенном состоянии. Чтобы исправить ошибку, необходимо выполнить следующие действия:
- Проверить уровень масла в КПП.
- Разогнать автомобиль до скорости 72 км/ч, чтобы проверить степень открывания заслонки дросселя.
- Провести проверку соответствия передаточного числа и э/м клапана нужным значениям.
| № DTC | Условие обнаружения DTC | Неисправный участок |
| P0603 | Внутренняя ошибка ЕСМ (логика диагностирования за 3 поездку) | ECM |
| P0605 | Внутренняя ошибка ЕСМ (логика диагностирования за 1 поездку) | |
| P0606 | Внутренняя ошибка ЕСМ (логика диагностирования за 3 поездку) |
Ошибки 12 и 21 на автомобиле Тойота Прадо, их устранение
Как механик диагностирует ошибку P0606?

Диагностика и решение проблем
- Сначала механик подключит сканер OBD-II к диагностическому разъему автомобиля и считает все сохраненные данные и коды ошибок, чтобы выяснить, когда и при каких обстоятельствах появилась ошибка. Затем он очистит коды ошибок с памяти компьютера и проведет тест-драйв автомобиля, чтобы выяснить, появляется ли код P0606 снова.
- Если код ошибки появится снова, механик визуально осмотрит электрические провода и соединители, относящиеся к PCM автомобиля, на предмет износа, коррозии и наличия повреждения.
- Если после ремонта или замены поврежденных электрических проводов и соединителей проблема не решится, механик проверит и при необходимости перепрограммирует или заменит PCM автомобиля.
- Если PCM требует замены, механик выяснит, есть ли возможность заменить модуль управления по гарантии.
P0051 Два обычно используются для обратной связи с модулем управления трансмиссией (PCM). А другие провода предназначены для нагревателя и питания нагретой цепи. Трехпроводные датчики обычно заземляются через выхлопную систему. А четырехпроводные имеют отдельный провод заземления.
Ошибки Прадо 120
Рассмотрим частые коды ошибок Прадо 120, которые выявляет диагностика.
B1153

Снимаем сиденье, снизу с правой его стороны находится нужная нам деталь. Устраняем обрыв.
P0051
Кислородный датчик Land Cruiser Prado 120
С1223 и С1246
Ошибки C1223 и C1246 Land Cruiser Prado 120
Ошибки C1223 и C1246 Прадо 120 связаны с ABS. С 1223 сообщает об общей неисправности системы, а с1246 показывает, что проблема в датчике давления в главном цилиндре.
При езде это проявляется постоянно светящимся на приборной панели индикатором неисправности ABS и неработающим круиз-контролем.
Горит ABS Land Cruiser Prado 120
При сканировании системы выводим на дисплей в графическом виде сигналы датчика стоп-сигналов и датчика давления. При нажатии тормозной педали график показывает повышение в контуре давления, но сигналы остановки при этом не активируются. На блок ABS не приходит сигнал с педали тормоза.
Проверяем блок предохранителей – неисправность, скорее всего, там. Меняем сгоревший элемент.
Блок предохранителей Land Cruiser Prado 120
Но если не устранить причину перегорания предохранителя, то проблема появится снова. Опыт эксплуатации Прадо 120 говорит о том, что причина в повреждённой розетки фаркопа.
Повреждённая розетка фаркопа
Причины возникновения ошибки
- Обрыв провода питания, заземления или цепи нагревателя датчика O₂.
- Неисправный нагреватель датчика O₂.
- Повреждение или износ разъемов, идущих к датчику.
- Иногда причиной является неисправный модуль PCM.
Вывод
Набор предохранителей
Симптомы «болезни код 21» у двигателя Тойота
Все отклонения в работе автомобиля в следствие выхода из строя кислородного датчика условно можно разделить на два вида:
- В результате повышенного содержания топлива /нехватки воздуха (богатая смесь).
- В результате повышенного содержания воздуха /нехватки топлива (бедная смесь).
Самым первым и явным признаком ошибки 21 является увеличенный расход топлива. Так как в результате поломки датчика кислорода электронный блок берет усредненные показатели смеси воздуха и топлива.
Помимо повышенного расхода топлива может наблюдаться еще множество отклонений, например таких как:
- уменьшение динамических возможностей;
- посторонние звуки в коробке передач;
- появление черного дыма;
- снижение «чувствительности» авто.
И это далеко не полный список неприятностей, вызванных неполадкой.

Нужна дополнительная помощь с кодом p2196?
За прикуриватель и розетки отвечают предохранители под номерами 24 (CIG) и 12 (PWR OUTLET).
Связанные обсуждения DTC

B1153
- Неправильная фазировка распределительного вала.
- Неисправное положение распределительного вала.
- Проблемы с проводкой (жгут/проводка) в электромагнитной системе управления регулирующим клапаном впуска.
- Постоянное попадание масла в камеру сгорания VCT.
- Моторное масло низкого уровня или грязное моторное масло.
- Неисправный электромагнит управления распределительным клапаном (застрял в открытом положении).
- Забитый электромагнитный клапан.
- Датчик положения кулачкового вала плохо подключен к электрической цепи.
- Дефектный датчик положения коленчатого вала.
Расшифровка комбинаций В силу выхода на пенсию и кучи времени решил тряхнуть стариной и разобраться самому. Инет ответа, походу, не знает, кому лямбды задние менять предлагает, кому ЭБУ. Меня такие варианты не устраивают, поэтому в поисках своего, единственного верного))
Схема автомобиля — Тойота Ленд Крузер — предохранители
Расположение плавких предохранителей на Тойота Ленд Крузер с одной и двумя аккумуляторными батареями
Расположение плавких предохранителей в моторном отсеке на Тойота Ленд Крузер

Предохранители на приборной панели
Плавкие предохранители (тип В)
42. ABS NO.1 40 А; Противоблокировочная тормозная система 43. АНС 50 А: Нет цепи 44. АСС 50 А: Все компоненты в цепи «PRW OUTLET» 45. ABS NO.2 40 А: Противоблокирооочиая тормозная система 46. STARTER 30 А: Система запуска 47. POWER 30 А: Система управления блокировкой дверей с приводом, окна с электроприводом стекла, электрическая откидная крыша
Плавкие предохранители (тип С)
| 1 | Реле звукового сигнала |
| 2 | Реле задних габаритов |
| 3 | Реле многофункционального блока управления |
| 4 | Реле разъема питания дополнительного оборудования (передн./задн.) |
СХЕМА СОЕДИНЕНИЙ
- Приобретите вторую плавкую вставку Прадо 120 в запас к главному.
- Прикрепите к металлическим основаниям предохранителя кабеля.
- Один конец присоедините к плюсу, второй к минусу.
Ошибки Прадо 120 Замените подогреваемый кислородный датчик (Нажмите здесь).
