Почему не Горят Противотуманки на Тойоте Установка кнопки
Поэтапная установка противотуманок на Короллу
Итак, выяснив, что штатная проводка присутствует, мы можем ехать в магазин за покупками. Для самостоятельной вставки фар нам понадобятся:
В итоге должен получиться примерно такой же набор как на фотографии снизу.
Надежно закрепив противотуманку и убедившись в том, что она не выскочит, не открутится и тому подобное, можно вставить заглушки на места и придать автомобилю внешне законченный вид. После того как были вставлены заглушки вы сами убедитесь в том, что они там как будто и стояли всегда. На каждую фару вам понадобится примерно 5-10 минут.
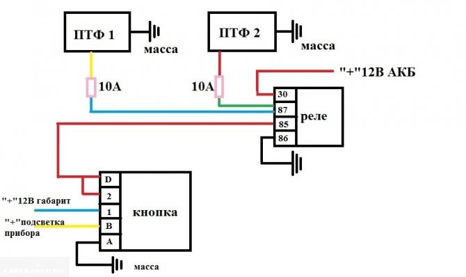
Реле вставляется на ощупь, поэтому для того чтобы иметь хотя бы примерное понимание того, куда его вставлять необходимо снять крышку данного короба – сделать это не сложно, придется открутить один или два болтика. На фотографии ниже указано примерное место установки реле, которое вставляется через верх.
Закончив с установкой реле, собираем все обратно. И переходим к заключительной стадии – установка и подключение выключателя. Здесь каждый сам для себя должен решить, куда ему удобней установить выключатель – мы использовали разъем под монетницу.
Для того чтобы подключить сам выключатель и он исправно работал, нам необходимо снять обшивку рулевой колонки – это позволит нам получить доступ к разъему левого рулевого переключателя.
Синими стрелками показан вариант независимого включения и выключения противотуманных фар. Для такого варианта нам необходимо подсоединить провода выключателя к красно-голубому проводу и красному. Подключать необходимо к одному из вариантов указанных на фото.
Подсоединив провода, вставив разъем обратно проверяем работоспособность ПТФ, если все работает замечательно, то прикручиваем обшивку и приятного вам пользования, если не получилось необходимо еще раз проверить комбинации проводов.

Противотуманные фары Тойота Королла
Важно! Перед тем как осуществить установку ПТФ, не забудьте снять с ее задней части белую бумажную наклейку и вставить в получившееся отверстие лампочку.
Расположение противотуманок

Предохранители Тойота Королла 120 (Филдер) и реле с описанием и схемами блоков
- Светотеневая граница фар должна быть достаточно четкой, это напрямую влияет на качество освещения дороги и обочины.
- Лучше брать ПТФ с заглушками для более плотной и качественной совместимости с корпусом машины. Это значительно продлит срок эксплуатации света.
- Вертикальный угол видимости должен быть в пределах от 10 до 15 градусов, горизонтальный — от 10 до 45 градусов.
Предохранители Тойота Королла 120 (Филдер) и реле с описанием и схемами блоков Вот само реле, которое нужно установить.
Расположение противотуманок
Задние противотуманные габариты Toyota Corolla устанавливаются для того, чтобы снизить риск ДТП на дороге во время тумана. Эти фонари обычно красные и лучше видны издалека при такой погоде, поэтому автовладелец сзади сможет быстрее отреагировать на ситуацию на дороге.
Для Тойота Королла есть несколько видов ПТФ на современном рынке. Главным отличием между ними считаются технические показатели, которыми они обладают.

Есть фары для измененного бампера спереди на Toyota Corolla. Посадочное место у них выполнено в форме цилиндра, диаметр которого составляет 10 сантиметров. Изготовлены такие элементы из корпус-пластика, имеют отражатель, стеклянный рассеиватель. Цоколь у такой лампы — Н34.
Есть и другие модели, к примеру, изделия, которые имеют диаметр посадки 6,6 сантиметров, глубину 13,9 сантиметров. Рассеивание происходит в таких габаритах через линзу, основными материалами изготовления является алюминий и стекло.
Для тех, кто желает сделать хорошее освещение боковых участков дороги, подойдет установка других изделий, которые крепятся на регулировочной шпильке. Именно такие фары дают большую уверенность во время движения Toyota Corolla при плохой погоде.
Кнопка птф тойота королла 120
Блок предохранителей и реле Toyota corolla Fielder Runx Allex с 2000 года выпуска В Королле 120 пять предохранительных блоков. Три из них установлены в моторном отделении, а остальные в салоне. Подробное расположение блоков предохранителей на Toyota Corolla 120 кузов, с указанием защищаемой электрической цепи, описано далее.
Блоки в салоне
Основной блок
На общей схеме обозначен как Блок 2. В салоне находится под панелью с левой стороны.
Правый руль
Для доступа надо открутить винт, отсоединить фиксаторы и снять бардачок.

Полное назначение элементов
Читайте также: Честный тест-драйв Тойота Рав 4 (Toyota Rav4) в кузове XA50 с двигателем M20A-FKS 2.0 D-4S 149 л.с
| а | POWER 30A — электропривод стекло подъемников, электропривод люка |
| b | DEFOG 30A — обогреватель заднего стекла |
| с | HEATER 40A — кондиционер, отопитель. |
| 1 | WASH 15A — стеклоочистители и стекло омыватели |
| 2 | ECU-КЗ 10A — ABS, электро усилитель рулевого управления, вентиляторы радиатора и конденсатора |
| 3 | GAUGE 10A — комбинация приборов, указатели поворота и аварийная сигнализация, системы предупреждения о не пристегнутых ремнях и забытом ключе, центральный замок |
| 4 | резервная цепь |
| 5 | резервная цепь |
| 6 | резервная цепь |
| 7 | WIPER 25A — стеклоочистители и стекло омыватели |
| 8 | TAIL 15А — габариты и освещение, задний противотуманный фонарь, система предупреждения о не выключенном освещении, фары |
| 9 | STOP 15A — стоп-сигналы, управление двигателем, индикаторы АКПП и ABS |
| 10 | DOOR 25А — центральный замок, внутреннее освещение, система предупреждения, беспроводное управление центральным замком |
| 11 | P/W 20А — электропривод стекло подъемников |
| 12 | Резерв |
| 13 | АМ1 25А — цепь АМ1 замка зажигания |
| 14 | ECU-B 7.5A — противотуманные фонари, управление двигателем и АКПП |
| 15 | FOG 15A — передние противотуманные фары |
| 16 | ST 7,5A — комбинация приборов, управление двигателем, система запуска |
| 17 | A/C 25A — кондиционер |
| 18 | IG2 15A — ABS, система зарядки, АКПП, электро усилитель рулевого управления, управление двигателем, зажигание, SRS |
| 19 | DEF I-UP 10A — Управление двигателем, Обогреватель заднего стекла |
| 20 | Резерв |
| 21 | CIG 15А — прикуриватель, магнитола, система навигации, часы, регулировка зеркал |
Подключение ПТФ Toyota Corolla Fielder
- реле отопителя
- монтажный блок под панелью приборов
- дополнительные монтажные блоки
- блок управления электро усилителя рулевого управления
- зуммер системы VSC
- монтажные блоки №7, №11
- реле- прерыватель указателей поворота
- блок реле дополнительного оборудования
- блок управления SRS
- блок управления двигателем и АКПП
- блок управления ABS, TRC, VSC, ВА
Разновидности противотуманных фар
1 — Реле №1 вентилятора радиатора
Блоки в салоне
Основной блок
На общей схеме обозначен как Блок 2. В салоне находится под панелью с левой стороны.
Правый руль
Для доступа надо открутить винт, отсоединить фиксаторы и снять бардачок.

Полное назначение элементов
| а | POWER 30A — электропривод стекло подъемников, электропривод люка |
| b | DEFOG 30A — обогреватель заднего стекла |
| с | HEATER 40A — кондиционер, отопитель. |
| 1 | WASH 15A — стеклоочистители и стекло омыватели |
| 2 | ECU-КЗ 10A — ABS, электро усилитель рулевого управления, вентиляторы радиатора и конденсатора |
| 3 | GAUGE 10A — комбинация приборов, указатели поворота и аварийная сигнализация, системы предупреждения о не пристегнутых ремнях и забытом ключе, центральный замок |
| 4 | резервная цепь |
| 5 | резервная цепь |
| 6 | резервная цепь |
| 7 | WIPER 25A — стеклоочистители и стекло омыватели |
| 8 | TAIL 15А — габариты и освещение, задний противотуманный фонарь, система предупреждения о не выключенном освещении, фары |
| 9 | STOP 15A — стоп-сигналы, управление двигателем, индикаторы АКПП и ABS |
| 10 | DOOR 25А — центральный замок, внутреннее освещение, система предупреждения, беспроводное управление центральным замком |
| 11 | P/W 20А — электропривод стекло подъемников |
| 12 | Резерв |
| 13 | АМ1 25А — цепь АМ1 замка зажигания |
| 14 | ECU-B 7.5A — противотуманные фонари, управление двигателем и АКПП |
| 15 | FOG 15A — передние противотуманные фары |
| 16 | ST 7,5A — комбинация приборов, управление двигателем, система запуска |
| 17 | A/C 25A — кондиционер |
| 18 | IG2 15A — ABS, система зарядки, АКПП, электро усилитель рулевого управления, управление двигателем, зажигание, SRS |
| 19 | DEF I-UP 10A — Управление двигателем, Обогреватель заднего стекла |
| 20 | Резерв |
| 21 | CIG 15А — прикуриватель, магнитола, система навигации, часы, регулировка зеркал |
Место расположения элемента
- реле отопителя
- монтажный блок под панелью приборов
- дополнительные монтажные блоки
- блок управления электро усилителя рулевого управления
- зуммер системы VSC
- монтажные блоки №7, №11
- реле- прерыватель указателей поворота
- блок реле дополнительного оборудования
- блок управления SRS
- блок управления двигателем и АКПП
- блок управления ABS, TRC, VSC, ВА
Первый блок Стоит отметить, что предохранитель прикуривателя на Тойота Королла в блоке дополнительно отличается по цвету головок. Для элементов электрооборудования центральной панели характерен синий оттенок. Таких деталей меньше, чем, к примеру, красных или белых, поэтому найти нужный прибор не составит труда.
Требования к установке противотуманных фар
Теперь в любую погоду вы будете чувствовать себя уверенно. Последний соединяем с кузовом, то есть он будет нашей массой.
Причем чем ближе он будет находится к аккумулятору, тем лучше. Таким образом, свет в фарах рассеивается немного выше горизонтальной плоскости.
Тюнинг-меню
В нашем случае понадобится элемент номиналом 15 А. Однако на деле оптимально провести этот провод до самой АКБ и соединить с минусовой клеммой аккумулятора. Противотуманки работают! Также следует быть бдительным и перед установкой отключить питание от аккумулятора. Сечение провода и выключатель не рассчитаны на такую нагрузку.
Второй вариант установки Куда проще будет владельцам авто, у которых в бампере уже предусмотрено место для крепления противотуманных фар. Так удастся сократить нервные клетки и личное время. Здесь же устанавливаем амперный предохранитель. Первым делом необходимо снять центральную панель — здесь будут расположены 2 лампы подсветки регулятора печи.

Установка кнопки
Фары Eagle Eyes

Установка противотуманных фар на Toyota Corolla 120
- Более долгий срок службы по сравнению с галогеном
- Яркий холодно-белый свет для обозначения автомобиля
- В 10 раз ниже потребление энергии по сравнению со штатными
- Разработан для длительной и непрерывной эксплуатации
Правый руль Есть фары для измененного бампера спереди на Toyota Corolla. Посадочное место у них выполнено в форме цилиндра, диаметр которого составляет 10 сантиметров. Изготовлены такие элементы из корпус-пластика, имеют отражатель, стеклянный рассеиватель. Цоколь у такой лампы — Н34.
Toyota Corolla Fielder. Замена предохранителей
Главная Автомобили — Тойота Toyota Corolla Fielder. Двигатели 1NZ — FE, 1NZ — FE, (4 WD), 2NZ — FE, 1 ZZ-FE, 1 ZZ-FE, (4 WD), 2 ZZ-GE, 3C-E — руководство
поиск по сайту правообладателям
Расположение компонентов электрооборудования
У всякого юзера (пользователя) , не ремонтника и не автоэлектрика в голове должен быть элементарный набор знаний по электрооборудованию своего авто.
Большинство граждан пользуется сложной японской аппаратурой на бытовом уровне не залазя внутрь и не зная как там все в телевизоре (DVD, видеокамере) все устроено, НО куда присоединить шнур ведущий к розетке, на какие нажимать кнопки и что все включить надо бы в идеале через сетевой фильтр, большинство догадывается.
Если по простому — все электрооборудование замкнуто на блоки реле и предохранителей, месторасположение которых нелишне будет знать даже блондинке за рулем .
Зачастую остановка дворников, не работающие стеклоподъемники, не горящие фары — это не катастрофа, а лишь перегоревший соответствующий предохранитель, который подлежит замене.
Для того, чтобы его поменять предохранитель, нужно купить новый, а в магазин желательно идти со сгоревшим старым, если не уверены, что бы взять именно то, т.к. цена ошибки может быть велика.
В два блока предохранителей и реле:
Монтажный блок под панелью приборов — располагается за крышкой бардачка, сверху. Если хотя бы раз меняли фильтр салона, то вам все дальше ясно. Если неясно — действуем — крышку бардачка открываем, осторожно снаружи боковины крышки с двух сторон сжимаем руками и тянем на себя — крышка бардачка полностью вышла из пазов. Блок предохранителей сверху за крышкой.
Монтажный блок в отсеке двигателя распологается под крышкой капота, справа, рядом с внутренней консолью крыла, как показано на рисунке — позиция 3. Чтобы рис. увидеть в полный размер кликнете по нему .
при возникновении перегрузки в электрических цепях
— быть расплавленными раньше, чем будет повреждена электропроводка и электрооборудование .
Для снятия и установки предохранителей типа «А» пользуйтесь специальным съемником типа пинцет.
Порядок замены предохранителей:
— перед заменой выключить зажигание и все электроприборы.
— устанавливайте предохранители только нужного номинала силы тока.
— запрещается использовать др. предметы вместо предохранителей («жучки»)
— если после замены предохранитель снова перегорает, то необходимо проверить электроцепи на обрыв и короткое замыкание.
На крышке коробки с предохранителями указаны наименования электрических цепей и характеристики самих предохранителей — 10 А; 20 А. или др.
Если нет запасного предохранителя , то в крайнем случае производитель рекомендует вынуть плавкий предохранитель из позиции » CIG» (прикуриватель) и использовать его, если номиналы силы тока совпадают (15 А).

Тюнинг-меню
- реле отопителя
- блок предохранителей под панелью приборов
- монтажные блоки № 10, 12
- блок управления электроусилителя рулевого управления
- зуммер системы VSC
- монтажные блоки № 7, 11
- реле — прерыватель указателей поворота
- блок реле дополнительного оборудования
- блок управления SRS
- блок управления двигателем и АКПП
- блок управления ABC, TRS, VSC, BA
Установка противотуманных фар на Toyota Corolla 120 Примечание: когда в одном узле применяется несколько разъемов, на схеме указываются наименования каждого разъема ( буква алфавита) и и номер контакта.
