Check Engine Ваз 2108 Низкая Панель • Датчик детонации
Почему горит чек на ваз 2107
Здравствуйте, уважаемые автолюбители! Наверно многим из вас, во время вождения своего авто, немало портила настроение: то загорающаяся, то гаснущая, а то и горящая (без какой либо явной причины) «вечным огнем» лампочка Check Engine.
Что же не так? Ответ на вопрос — почему горит лампочка инжектора, сходу точно дать не смогут даже многие автогуру. Попробуем копнуть в структурном принципе неисправности.
Электронный блок управления (ЭБУ) вашего авто осуществляет контроль над двигателем посредством системы датчиков.Если загорелась лампочка , то это значит, что один или несколько параметров датчиков дали сбой, на что и соответственно реагирует ЭБУ.
Рассмотрим функции, возложенные на датчики инжектора. Зная о том, за что отвечают датчики, несколько проще судить о поведении своего автомобиля и делать выводы: либо самому устранить неисправность, либо обратиться на автосервис для .
Горит лампочка инжектора: что говорят датчики
Датчик коленвала — определяет скорость его вращения, положения, и, следовательно, расположения поршней в цилиндре. Работает датчик на основе электромагнитной индукции.
Если горит инжектор по причине срабатывания датчика коленвала, последствия при игнорировании могут стать следующими: работа мотора на холостых оборотах будет неустойчивой, а при выходе датчика из строя — двигатель может заглохнуть и не заводится вовсе.
Горит лампочка инжектора по причине , который отвечает за контроль регулирования газораспределения в каждом цилиндре двигателя. В этом случае ЭБУ переходит от фазового впрыска на резервный – так называемый попарно-параллельный режим.
Принцип работы датчика основан на эффекте Холла, датчик расположен на передней части блока со стороны входного коллектора. Характерными признаками неисправности являются повышение расхода топлива и неуверенный запуск двигателя.
Горит индикатор инжектора по причине показателей датчика температуры, предназначение которого: оценивать тепловое состояние двигателя. В этом случае ЭБУ выберет резервный режим, который подразумевает включение вентилятора охлаждения и приведение в действие высоких холостых оборотов. С отказом датчика, наблюдается затрудненный запуск двигателя и увеличение расхода топлива.
Датчик скорости — предназначается для оценки скорости движения. При его некорректной работе наблюдаются неустойчивая работа мотора, а при резком сбрасывании нагрузки мотор глохнет. Также наблюдается ухудшенная динамика, а маршрутный компьютер и электронный спидометр выдают ложные показания.
Датчиком кислорода — оценивается количество кислорода в выхлопных газах. Характерными факторами при его неисправности являются появление периодических колебаний при режиме холостого хода и увеличенное потребление топлива.
Помимо всего перечисленного причинами могут являться механические повреждения цепи (обрыв, замыкание), обрыв или проскок газораспределительного механизма, влага, перегрев и т.д.

Горит чек на ваз 2115 — причины и способы ремонта
Ваз 21074 инжектор горит лампа check engine в) отрегулировать клапана, в случае необходимости — заменить.
Датчик дроссельной заслонки (Throttle Position Sensor)
Датчик отвечает за весь процесс работы двигателя в режиме ускорения, езды на равномерной скорости и замедления. На датчик возложен контроль за несколькими режимами двигателя, поэтому он крайне чувствителен к воздействию электромагнитных полей и требует постоянного профилактического ухода, который можно проводить самостоятельно.
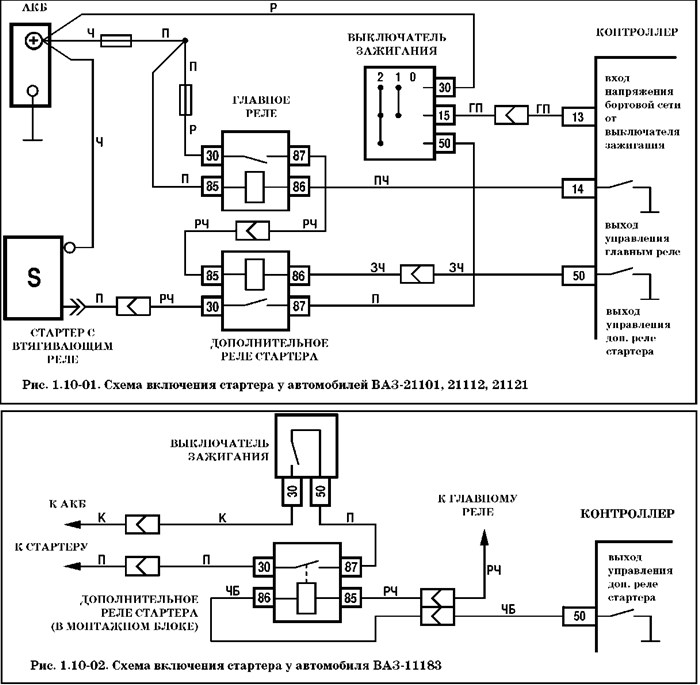
Судя по всему,пропадает питание эбу. Разбирайся с питанием. Посмотри ,срабатывает ли главное реле при включении зажигания.
Ща гляну заводские мануалы. Что там за блок управления у тебя-бош?
Ага . И бензонасос, и чек и стартер не работают без блока управления. Так что копай питание. А с замка зажигания идет провод, и разъем есть. И постоянное питание идет с плюса аккума. А там,возможно ,стоит плавкая вставка
Последний раз редактировалось Styl; 02.12.2018 в 11:16.
Это,скорее всего,работа главного реле. Оно должно включаться при повороте ключа зажигания,а выключается оно ,примерно,через 15 сек после выключения зажигания. Методом научного тыка тебе еще долго можно искать.
Получается что главное реле не включается при включении зажигания? А когда предох вытаскиваю-вставляю то оно включается?

Вот так выглядит типовая схема. В зависимости от того.какой у тебя блок управления,могут быть другие номера пинов блока и цвета проводов:
Задержку выключения главного реле дает эбу. Там по схеме видно-плюс на реле приходит постоянно,а включает и выключает его эбу подавая массу. Там написано у четырнадцатого
контакта.
Последний раз редактировалось Styl; 03.12.2018 в 17:10.
Уже нашел сам в интернете описание контактов ЭБУ Январь 7 =))
Сообщение от
StylУже нашел сам в интернете описание контактов ЭБУ Январь 7 =))
Посмотри номер на твоем эбу и проверь ,какой блок у тебя стоит Может у тебя м73 стоит,тогда и распиновка будет немного другая
самое простое начать с замены главного реле, оно копейки стоит, а его глюки нервы выносят тока в путь
Не потная проблема двигателем Загорелся ЧЕК
Почему начинает троить и загорается check при движении на ВАЗ 2115 » НаДомкрат Если это продолжает происходить, несмотря на следующие процедуры сброса, вы должны показать свой автомобиль в ближайшем автосервисе и диагностировать его профессиональным механиком. Профессиональная диагностика использует более сложные инструменты и позволяет выявить точные проблемы.
Возможные причины появления на приборной панели значка «проверьте двигатель» при исправном моторе

Значок Check Engine на панели приборов
Многие автолюбители и владельцы ВАЗ-2114 слышали, что на панели безо всяких причин может появляться «Check Engine». Причин может быть достаточно много. При этом, самым странным остается тот факт, что двигатель не подает признаков неисправности: отсутствует дёргания, потеря мощности и прочие проблемы не выявлены.
Если подключиться к ЭБУ, то можно увидеть ошибку, которая послужила тревожному сигналу, а затем разобраться с проблемой.
Но, поскольку не всегда есть возможность подключиться к блоку управления двигателя, рассмотрим, где, же может скрываться неисправность:
- Ошибка в ЭБУ или проблемы в программном обеспечении.
- Система зажигания: свечи, провода, инжектор, катушка зажигания.
- Топливная система: плохой бензин, форсунки (см. «замена форсунок«), топливный насос.
- Лямбда-зонд и катализатор.
- Датчик массового расхода воздуха (см. «проверка ДМРВ при помощи мультиметра).
Методы устранения неисправности
Итак, основные причины появления на приборной панели значка «Check Engine» определены, и необходимо перейти к методам устранения проблем. Конечно, не все автомобилисты знают конструктивные особенности ВАЗ-2114, поэтому многие неисправности и методы решения станут непосильной задачей. В этом случае, чтобы не рисковать стоит обратиться в автосервис.
Ну, а тем, кто уже опытный данный материал станет весьма полезным. Итак, перейдем непосредственно к решению проблемы.
ЭБУ и связанные с ним неисправности
Зачастую, случается так, что появления значка «ЧЕК» связано с неисправностью в «мозгах» автомобиля. Причин такого эффекта достаточно много, но основной становится неисправность в программном обеспечении и накопление ошибок.
Время менять масло
Еще одной причиной появления «Check Engine» на приборке становиться сигнал, что время менять масло или его недостаточное количество в системе. Так, автомобилист должен проверить состояние смазочной жидкости, а также провести плановое техническое обслуживание двигателя.
Почему горит чек на ваз 2107 — Авто Брянск
Датчик дроссельной заслонки (Throttle Position Sensor)

Горит «чек двигателя» (check engine) — причины и решения проблемы
Причины загорания чека Принцип работы датчика основан на эффекте Холла, датчик расположен на передней части блока со стороны входного коллектора. Характерными признаками неисправности являются повышение расхода топлива и неуверенный запуск двигателя.
Использование сканера
Использование диагностического прибора — самый простой способ сброса индикатора проверки двигателя. Вот 5 простых действия:
- Подключите сканирующий инструмент в бортовой диагностический разъем под рулевой колонкой. Ноутбук или планшет с соответствующим программным обеспечением устанавливается в держатель;
- Затем включите зажигание автомобиля и соответственно включаем все гаджеты;
- На мобильном устройстве в соответствующем разделе нажатием кнопки «READ» просматриваем коды ошибок двигателя. Ручкой записываем кода в том порядке, в котором они были получены. Это будет необходимо для последующего ремонта.
- Удаляем код ошибки. Нажимаем кнопку «ERASE» (Стереть) на сканере. Индикатор «Check Engine» выключится, если все коды ошибок будут очищены. Некоторые инструменты сканирования имеют много опций, таких как стоп-кадр, который фиксирует показания датчика. При удалении кодов эти показания также удаляться. Примечание: в некоторых сканерах опция очистки кодов может быть автоматическая и кнопку «CLEAR» или «YES» вместо кнопки «ERASE».
- Не забудьте включить зажигание перед удалением кодов.

Инжектор и катушка зажигания
- Выкрутите свечи зажигания и оцените их состояние. Они должны быть без нагара и механических повреждений
- Проверьте состояние высоковольтных проводов, они также могут быть причиной возникновения пропуска зажигания в цилиндре
- По причине разгерметизации цилиндра могла упасть компрессия. Обязательно замерьте её, и убедитесь в том, что компрессия находится в норме
- Каков пробег вашего автомобиля? Двигатель мог прийти в непригодность по причине износа его основных конструктивных элементов
Датчик дроссельной заслонки (Throttle Position Sensor) Чувствительный элемент катализатора способен очень быстро выйти из строя со всеми вытекающими последствиями. Именно поэтому лампа чек мигает, чтобы привлечь внимание водителя! Двигаться дальше в таком режиме НЕЛЬЗЯ !
«Чек двигателя» горит красным
Однако чаще всего, какие бы ни были причины того, из-за чего горит лампа «чек двигателя» (при условии их маломальской серьезности), понадобится замена. Это справедливо для:
- катализатора;
- свечей;
- высоковольтных проводов;
- реле бензонасоса (неисправность определяется заводом «на холодную»);
- адсорбера (агрегата, поглощающего пары бензина), если он установлен;
- регулятора холостого хода;
- датчика массового расхода воздуха и др.
Таким образом, горит ли «проверка двигателя» Gazel или горит «чек движка» ВАЗ 2115, помощь мастера лишней не будет. А чтобы по ошибке не приобретать ненужные комплектующие на замену, сертифицированный диагност силовой установки поможет докопаться до сути.

Свечи, ВВ-провода, катушка
- сочетание с другими предупреждениями;
- мигание индикатора;
- (актуально на некоторых автомобилях в случае, когда дальнейшая езда может быть опасна) лампочка check engine загорелась красным;
- общее «поведение» транспорта вызывает опасения.
Причины появления Check Engine на ВАЗах Второй элемент зажигания – это модуль, который пришел на смену трамблеру. Он избавляет от необходимости регулировать угол опережения, как это делали раньше. Однако, модуль тоже может дать определенные сбои в работе. Неисправность электроники приводит к нарушению нужного угла, что приводит к разным последствиям:
Двигатель троит и моргает «чек»: возможные причины неисправности

Как известно, инжекторный двигатель пришел на смену карбюраторному в основном благодаря своей экономичности, а также сниженному количеству вредных выбросов в атмосферу. Это стало возможным в результате гибкой корректировки работы ДВС при помощи электронной системы управления ЭСУД.
Отметим, что указанный «чек» загорается по разным причинам. В этой статье мы поговорим о том, почему моргает чек, троит двигатель или силовой агрегат работает нестабильно на разных режимах, причем такая работа сопровождается горящим индикатором неисправности ДВС.
Методы устранения неисправности
ЭБУ и связанные с ним неисправности

Датчик массового расхода воздуха (Mass Air Flow Sensor)
- Заменить свечу зажигания.
- Установить новый комплект проводов, идущий к свечам. Со временем из-за использования в разных температурах на обмотке высоковольтных проводов возникают микротрещины, приводящие к пробоям.
- Проверьте компрессию в неработающем цилиндре. При ее нарушении необходимо проверить клапана и кольца.
- Настройте клапанную систему. Рекомендуется делать это через каждые 15 тысяч пробега.
- Протестируйте катушку зажигания, замените ее на новую.
- Замените воздушный фильтр.
- Пощупайте ремень ГРМ и осмотрите его положение.
Заменить датчик кислорода (лямбда зонд) Датчик скорости — предназначается для оценки скорости движения. При его некорректной работе наблюдаются неустойчивая работа мотора, а при резком сбрасывании нагрузки мотор глохнет. Также наблюдается ухудшенная динамика, а маршрутный компьютер и электронный спидометр выдают ложные показания.
