Как Горит Лампочка Ручника Ваз 2114 • Полезное видео
Натяжка ручного тормоза на ВАЗ 2114
Автомобиль ВАЗ 2114 обладает неплохими характеристиками, надежностью и ремонтопригодностью. Но это не позволяет застраховаться полностью от возможных поломок.
Учитывая состояние отечественных дорог, не удивительно, что чаще всего автовладельцы обращаются на СТО с проблемами в тормозной системе или подвеске.
Яркий пример поломки — это проблемы с ручным тормозом. Точнее с тросиками, которые отвечают за блокировку задних колес и не позволяют машине двигаться до тех пор, пока ручник не будет возвращен в исходное положение.
Не важно, пользуетесь ли вы ручным тормозом или нет, рано или поздно вам потребуется задействовать данную систему. А если ручник приходится выживать регулярно, тогда и вовсе не возникает споров относительно необходимости срочно решить проблему.

Почему загорается STOP в комбинации приборов ВАЗ 2108, 2109?
Упало давление масла в двигателе.

Ваз 2114 концевик ручника — Авто Брянск
- Рычаг;
- Тяга;
- Пружины;
- Кнопка рычага;
- Ось главного троса;
- Болты;
- Шайбы;
- Привод;
- Уравнитель;
- Чехол;
- Контргайки;
- Шплинты;
- Правый и левый рычаг;
- Разжимная левая и правая планка;
- Стопорная шайба и пр.
Не горят стоп сигналы на ВАЗ 2114: причины и способы их устранения Эксплуатировать автомобиль в таком случае нельзя. Необходимо проверить, не соскочил ли провод с датчика давления и если нет, то выяснять причину произошедшего в условиях мастерской.
Почему загорается табло STOP в комбинации приборов ВАЗ 2108, 2109, 21099?
Причин загорания табло STOP всего три. Их просто определить визуально. так как вместе с табло будет гореть лампа-сигнализатор неисправности той системы в которой возникла проблема.
1. Неисправна стояночная тормозная система автомобиля («ручник»).
Если водитель поднял ручник, подвижный контакт (кнопка) «лягушки» освобождается и прижимается к неподвижному. Соединение с «массой» восстанавливается. Электрическая цепь включения лампы-сигнализатора замыкается. В комбинации приборов красным цветом загорается значок (Р) и табло STOP, предупреждая водителя о том, что ручник поднят, колеса заблокированы и ехать на автомобиле нельзя.
Если табло STOP и лампа-сигнализатор стояночного тормоза горят при опущенном вниз рычаге ручника или моргают, скорее всего неисправен концевик («лягушка») или провод от нее к комбинации где-то касается «массы». Поэтому, необходимо убедиться, что на самом деле колеса расторможены и ехать дальше, несмотря на загоревшееся табло STOP.

Схема подключения «лягушки» (концевого выключателя) лампы-сигнализатора включения ручного стояночного тормоза — ручника на автомобиле ВАЗ 21093 (21083, 21099) с высокой панелью приборов
2. Низкий уровень тормозной жидкости в бачке на главном тормозном цилиндре.
Водитель сразу понимает, что тормозная жидкость по каким-то причинам уходит из системы (возможно произошел разрыв или повреждение трубок, разгерметизация колесных тормозных цилиндров ) и тормоза работать не будут или будут, но плохо.
В такой ситуации следует прекратить движение и разобраться с проблемой. В ряде случаев все оказывается не так страшно, так как уровень может упасть сам собой из-за испарения тормозной жидкости или износе накладок тормозных колодок при котором тормозная жидкость из бачков ушла в колесные тормозные цилиндры так как в них сильно выдвинулись поршни и появилось больше места.
Если с тормозной жидкостью все в порядке, а табло горит, стоит проверить сам датчик или его электрическую цепь датчика на предмет замыкания на массу.
Схема подключения датчика уровня тормозной жидкости
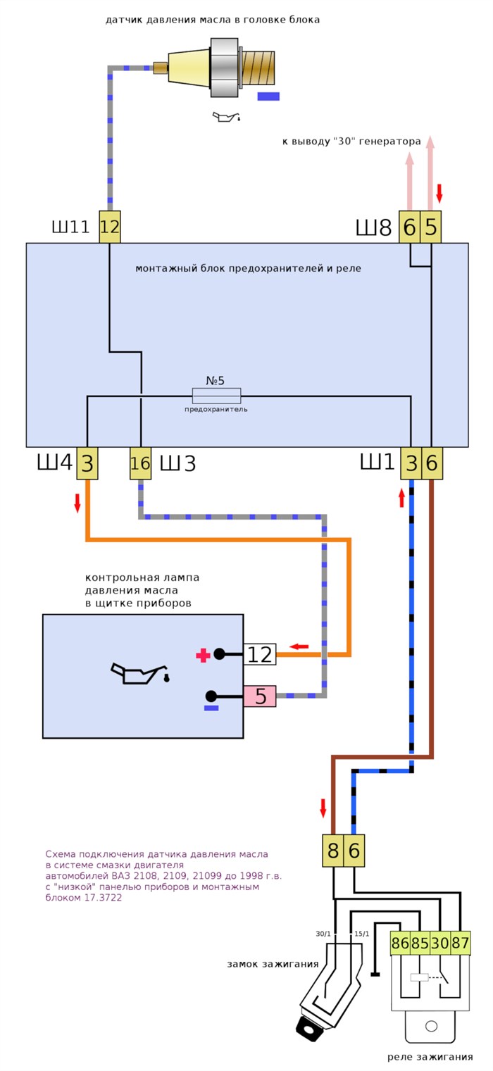
3. Упало давление масла в двигателе.
Если сильно упало давление масла в двигателе в комбинации приборов автомобиля загорится красным цветом сигнализатор в виде масленки и табло STOP.
Причиной их срабатывания может быть утечка масла через пробитый поддон или потекший сальник, либо проворачивание вкладыша на коленчатом валу или банальное замыкание на массу провода датчика.
Ручной тормоз на ВАЗ 2114: натяжка и замена своими руками | LuxVAZ
Ремонт стояночного тормоза ваз 2114 Учитывая состояние отечественных дорог, не удивительно, что чаще всего автовладельцы обращаются на СТО с проблемами в тормозной системе или подвеске.
Дополнительные советы
Перед каждым выездом, особенно на дальние расстояния, следует проверять работоспособность всей светосигнальной аппаратуры, в том числе и стоп-сигналов. Для того, чтобы снизить вероятность поломки в пути, нужно периодически проверять состояние патронов и цоколей ламп задних фонарей, и периодически очищать их от окислов и грязи.
На случай же, если поломка все-таки произойдет, следует всегда иметь в машине дополнительный комплект лампочек и 10 амперных предохранителей, а также мультиметр для их проверки.
Стаж работы автослесарем 12 лет. Прошел множество курсов повышения квалификации и имеет допуски к выполнению самых кропотливых работ по ремонту автомобиля разных марок. Последние несколько лет занимается только ремонтом и тюнингом отечественных автомобилей

Неисправности и их признаки
- мультиметр (подойдет даже самый простой);
- набор отверток;
- наждачная бумага (для очистки окисленных поверхностей);
- набор гаечных ключей.
Признаки необходимости замены
Уравниватель тяг ручника
Схема подключения и настройка
В базовой инструкции фирма Старлайн приводит схему, касающуюся модели А91:

Здесь показан жгут, идущий к торпедо. Разберемся с тем, что и куда подключается:
- Диод, включенный в разрыв провода, должен проводить ток в направлении «к концевикам»;
- Выше речь шла о диоде 1N5401;
- Второй диод, соединяемый с проводом сигнализации, может иметь обозначение 1N4001 (он дешевле).
Сигналка Starline A91 Dialog снабжена набором входов, соединяемых с концевиками дверей, багажника и капота. Вам нужен один из них – это шнур «17» из разъема X3. На схеме он обозначен, как «сине-черный».
Теперь рассмотрим, что находится во втором жгуте, расположенном под первым:
От двух синих кабелей, показанных выше, делают Т-образные отводы и дотягивают шнуры к месту установки сигнализации. А в разрыв провода ручника устанавливают диод 1N4001. Катод этого диода «смотрит» в сторону переключателя. В завершении вы сделаете подключения:
- «Зелено-желтый» и «зелено-черный» провода из разъема X3 соединяют с отводами поворотников.
- Другой отвод, идущий от катода, подключают к «входу тормоза» сигналки Starline A91 Dialog. Шнур обозначен, как «оранжево-фиолетовый».
Было рассмотрено, как своими руками подключить все сигнальные провода. Очередь за силовыми.
Действия, перечисленные в этой главе, можно выполнить до установки сигнализации. Работоспособность штатного оборудования нарушиться не должна.
Подключение разъема автозапуска
В машинах ВАЗ 2114, в отличие от «девяток», используется замок зажигания с тремя клеммами: 50, 15 и 30. Последняя соединена с АКБ, и с ней при повороте ключа замыкается контакт 15. Ну а 50-я клемма – это «выход» на стартер. Похожие обозначения использует не только ВАЗ.
Что касается модели 2114, накладка замка здесь крепится тремя саморезами, а также тремя метрическими винтами. Выкрутите их, и увидите следующее:
Согласно базовой инструкции, питание сигналки можно взять с контакта 30 (нужен Т-образный отвод). А «желтый» силовой кабель, выходящий из разъема X1, соединяют с клеммой 15. Дальше, если нужен автозапуск, то:
- Соединения, указанные выше, должны выдерживать значительный ток (до 30 А);
- «Красный» провод, идущий из замка зажигания, разрывают;
- К модулю Starline A91 Dialog дотягивают отводы, идущие от точки разрыва;
- Тонкий провод из разъема X1 должен соединяться с клеммой 50, тогда как силовой шнур в «черно-желтой» изоляции станет выходом на стартер.
Как подтянуть ручник на ВАЗ 2114
- Дополнительная рамочная антенна содержит 50 витков провода ПЭЛ-0,3;
- Внутренняя антенна блока должна содержать столько же витков любого провода;
- Обе антенны объединяются в контур, размыкаемый контактами реле.
Как подтянуть ручник на ВАЗ 2114 Сведения были взяты из инструкции по установке. Переключите значения следующих функций: 12-3, 11-4 и 9-3.
Регулировка ручного тормоза ВАЗ 2114
Поломка «ручника» — это не какое-то редкое событие. Подобная неисправность встречается повсеместно. В некоторых случаях после натяжки ручник всё равно остаётся в нерабочем состоянии. В чём же заключаются основные причины возникновения этой неисправности?
Строение стояночного тормоза достаточно сложное.

Самый быстрый способ отремонтировать «ручник» — это обратиться в сервисный центр. Если же обращаться туда нет никакого желания, то можно попробовать альтернативный вариант. Он заключается в том, чтобы подтянуть ручной тормоз самостоятельно.
Неисправность самих фонарей
Дополнительные советы

Ручник ВАЗ 2114
- Автомобиль нужно загнать на эстакаду. В качестве альтернативы подойдёт и обычная смотровая яма. Для ремонта следует использовать домкрат.
- После того, как это сделано, необходимо установить рычаг коробки передач на 1-ую передачу.
- Когда это будет сделано, нужно отпустить ручник.
- Теперь пришёл черёд найти самый важный инструмент. Речь идёт о ключе на 13. Понадобится 2 экземпляра.
Схема подключения и настройка
Приобретать новый концевой выключатель стоп-сигналов следует точной такой же модели, как и вышедший из строя. Установка выключателя другого типа может привести к некорректной работе сигнала.
Что нужно, чтобы отрегулировать ручник
При отсутствии всех этих условий, которые вряд ли способен обеспечить любой рядовой водитель, можно обойтись и опорными «козлами», которые устанавливаются под заднюю часть кузова после её поднятия при помощи домкрата. Также стоит предусмотреть наличие в наборе двух ключей «на 13» и пассатижей.
Читать далее: Новая Ауди А7 2022 2022: фото, комплектации, цены, видео
Ваз 2110 не работает ручник
Процесс регулировки стояночного тормоза проходит следующим образом:
- автомобиль устанавливается на эстакаду (или канаву, или вообще приподнимается домкратом);
- проверяется положение рычага тормоза – оно должно быть крайним нижним;
- при помощи первого ключа ослабляется контргайка, с одновременным удержанием вторым ключом регулировочной гайки.
- Заворачивается регулировочная гайка до того момента, пока не натянется трос привода ручника.
Примечание. При закручивании регулировочной гайки шток необходимо придерживать пассатижами.
- теперь следует убедиться в том, что полный ход рычага составляет от 2 до 4 щелчков;
- после того как рабочий ход проверен, следует затянуть контргайку уравнителя, при этом придерживая регулировочную гайку ключом.
- рычаг ручника опускается вниз, после чего руками проворачивается задние колёса. Их вращение должно происходить равномерно и без заеданий.
Примечание. Если приводной трос ручника так и не получилось натянуть в процессе регулировки, эту деталь следует заменить.
После того, как система отрегулирована, необходимо ещё раз проверить качество её работы. Для этого после всех выполненных водителем работ следует найти участок дороги с уклоном не менее 23%, после чего остановить на ней автомобиль и поставить его на ручник. Если тормоза надёжно удерживают авто на подъёме, значит, всё было сделано правильно.
Ваз 2110 ручник не держит
В некоторых случаях регулировки, действительно, бывает недостаточно. Это происходит в случаях обрыва троса ручника – явления довольно редкого, но всё же, случающегося, особенно, на старых автомобилях. Бывает, что трос обрывается и на более новых моделях, подвергаемых слишком интенсивной эксплуатации, на которую не рассчитана тормозная система средней машины.
Также следует заменять трос в таких ситуациях:
- когда его наконечники ослаблены;
- нити троса начали растягиваться (в скором времени это может привести к обрыву);
- трос достаточно тяжело перемещается в своей оболочке даже после того, как его смазали.
Как и регулировка ручника, такая операция, как замена троса стояночного тормоза, вовсе не требует обязательного обращения в автосервис. И, хотя времени на её выполнение, скорее всего, потребуется значительно больше, для такого ремонта не слишком нужны особые профессиональные навыки, оборудование или какие-то специализированные инструменты.

На сколько щелчков должен подниматься ручник?
- Ручной тормоз прожимается без усилий – ослаблен трос, необходимо натянуть его.
- Механизм не реагирует на нажатие рычага – привод порвался или вылетел, также причина может быть в износе задних колодок.
- Заедание ручника — повреждение привода, требуется замена.
Как выполнить поиск неисправности? Дополнительную полезную информацию по данному вопросу вы сможете почерпнуть из видео ниже:
