Ошибка Контроллера Ошибка Озу Ваз 2110. Неисправности электрики
Ваз 2112 коды ошибок
Таблица 9-3 Коды неисправностей контроллера типа “Январь-4”
Исправность диагностической цепи контрольной лампы
Высокий уровень сигнала датчика температуры охлаждающей жидкости
Низкий уровень сигнала датчика температуры охлаждающей жидкости
Неверный сигнал датчика положения коленчатого вала
Завышенное напряжение сигнала датчика положения дроссельной заслонки
Недостаточное напряжение сигнала датчика положения дроссельной заслонки
Отсутствует сигнал от датчика скорости автомобиля
Высокий уровень сигнала СО-потенциометра
Низкий уровень сигнала СО-потенциометра
Неверный сигнал датчика массового расхода воздуха (высокая частота сигнала на выходе датчика)
Неверный сигнал датчика массового расхода воздуха (низкая частота сигнала на выходе датчика)
Ошибка программируемого постоянного запоминающего устройства (ППЗУ)
Ошибка электрически программируемого запоминающего устройства (ЭПЗУ)
Считывание кодов – ошибок на автомобилях ваз 2110, ваз 2111, ваз 2112
Приветствую! Меня зовут Михаил, сорян, что не по теме, хочу высказать свою благодраность Вам и вашему сайту. Благодаря вам самостоятельно удалось вывести царапины, которые поставила жена на парковке.

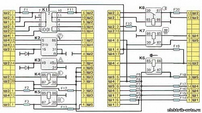
| Схема соединений монтажного блока (наружная цифра в обозначении наконечника провода – номер колодки, а внутренняя цифра – условный номер штекера) К1 – КЗ – реле (см. выше). |
Ошибки панели VDO и коды неисправностей на ВАЗ 2110-2112
- код 0335 говорит о неисправности датчика положения коленвала. Поэтому, увидев на компьютере 0335, нужно проверить, идет ли сигнал от этого датчика. Обнаружив, что сигнал слабый, можно помочь изменением расхода воздуха, если он чрезмерный (выше максимума). После этого ошибка 0335 должна исчезнуть;
- увидев ошибку 0340, знайте, что, скорее всего, неисправен датчик положения распредвала. Хотя на самом деле, если даже высвечивает 0340, сам распредвал может быть исправным, автомобиль работает, как обычно. А вот когда цифры 0340 не исчезают во время работы двигателя, следует тщательно осмотреть данный узел.
Ваз 2112 коды ошибок Здравствуйте, ваз 2112 перестала заводится, на бортовом комп.показывает ошибку 43210
Таблица с ошибками
Полный список неисправностей с расшифровкой и рекомендациями по устранению проблем:
Неисправности датчиков
Для проверки расходомера выполняются следующие действия:
- На авто с отключенным мотором производится отсоединение разъема с контактами от контроллера. Затем нужно включить зажигание, но не запускать силовой агрегат. Потребуется мультиметр, чтобы произвести проверку напряжения между контактными элементами.
- Разъем датчика оснащен пятью пинами, отсчет ведется слева направо, если смотреть со стороны воздушного потока от фильтра. Между контактами 2 и 3 номинальное напряжение должно составить 10 вольт, между 3 и 4 – 5 В. Если имеются отклонения, пользователю необходимо произвести диагностику целостности электроцепи на предмет обрывов и утечку тока.
- При нормальных значениях зажигание отключается и выполняется проверка сопротивления между «массой» и пятым по номеру пином. Полученный параметр должен составить около 4-6 кОм. В случае если полученное значение составило 0 Ом, датчик подлежит замене, также проблема может заключаться в замыкании на заземление. Если параметр сопротивления будет 100 кОм, то причину нужно искать в обрыве электроцепи питания или блоке управления двигателем.
Неисправности двигателя
- регулярное использование низкокачественного горючего;
- нарушение герметичности воздухозабора;
- отсутствие искры;
- повреждение или физический износ цилиндрических устройств.
Если замена горючего не помогла, необходимо выполнить диагностику системы забора воздуха. Следует произвести подтяжку крепежных хомутов, поменять воздушный фильтрующий элемент и проверить давление в рампе (нормированный показатель – не более 2,8 атм).
Также необходимо выполнить диагностику:
- высоковольтных проводов, подключенных к дефектному цилиндру;
- свечей зажигания;
- проверить возможное окисление в местах подключения кабелей.
Диагностика высоковольтных проводов производится с применением тестера, необходимо проверить сопротивление. Если полученное значение составило больше 10 кОм, то кабеля подлежат замене. Также надо проверить целостность свечей зажигания и убедиться в отсутствии нагара на их наконечниках.
- поломка датчика массового расхода воздуха;
- обедненная или обогащенная топливовоздушная смесь в цилиндрах мотора;
- неисправность блока электронной системы управления двигателем.
Для устранения проблемы можно попробовать заново обучить дроссельную заслонку, для этого выполняются следующие действия:
- Отключить блок управления любым доступным способом. Для этого можно отсоединить аккумуляторную батарею на несколько часов или использовать диагностическое оборудование.
- Произвести активацию зажигания на несколько минут. В этот момент заслонка дроссельного узла должна начать перемещение. На этом этапе нельзя выжимать педали или запускать силовой агрегат.
- Отключить зажигания и подождать около 30 секунд, после чего опять его включить. Затем двигатель можно запускать.

| Город | Название компании | Адрес | Номер телефона | Цена |
| Москва | Север Моторс | Ул. Дубнинская, 83 | +7 499 685-18-21 | 2500 руб. |
| Серебряный слон | Ул. Пяловская, 7 | +7 499 488-18-88 | 3500 руб. | |
| Санкт-Петербург | Автомагия | Ул. Учительская, 23 | +7 812 701-02-01 | 2000 руб. |
| ClinliCar | Большой Сампсониевский пр., 61к2 | +7 812 200-95-63 | 3000 руб. |
Все КОДЫ ошибок ВАЗ? и LADA (2104, 2105, 2107, 2109, 2110, 2111, 2112, 2114, 2115, Kalina, Granta, Priora, 2121 Niva, 2131 ) по OBD2: расшифровка и как исправить
Как сбросить ошибку?

Ошибка номер 8 ваз 2110 — Все о Лада Гранта
- сложности запуска двигателя;
- увеличенный расход горючего;
- троение силового агрегата при движении на холостом ходу и на «холодную»;
- самопроизвольная остановка мотора.
Коды ошибок ваз 2110 16 клапанов Довольно сложно почему-то найти в таблицах-расшифровках код 0525, а это просто ошибка датчика кислорода, по-другому называемого лямбда-зондом. И если у вас на дисплее опять 0525, значит, не все в порядке с содержанием кислорода в выхлопе.
Коды ошибок комбинации VDO на панели приборов ВАЗ 2110
Если говорить откровенно, то особой полезности данные коды неисправностей ни приносят. Если сравнивать с показаниями специальных бортовых компьютеров, типа ШТАТ, то там конечно в десятки раз больше полезной информации и различных данных. Но об этом поговорим как-нибудь в следующих статьях.
68 комментариев к “Ошибки панели VDO и коды неисправностей”
Еще у меня приборы отключатся когда едешь и звук какой то пишит уровень топлива тоже плавает меня дут точ такой же ни чё не помогло и масу смотрел на ручнике тоже ноль
У меня показывает на приборах сверху 3456 а снизу 78 что это значит подскажите пож
Здраствуйте, У меня ваз 2110 машина не заводиться. Буксиром еле-еле завёл холостой не работают и тройт, постайано надо газовать что надо делать подскажите. И ошибка 8 покзывает, как найти этот нейсправность.
Ваз 2112 16клапанный, при самодиагностике выдает ошибку 818,2…помогити спасити чего делается то)
Здравствуйте, ваз 2112 перестала заводится, на бортовом комп.показывает ошибку 43210
Датчик коленвала либо сам коленвал может еще шестерня коленвала
Привет,я делаю все как на видео, но диагностика не выполняется, просто переключает пробег на суточный и все.
Сергей зажми на панели эту кнопку и держи поверни при этом ключ зажигания там все покажет
Реле не ставил на стартер? У них это болезнь, при включенном мафоне или освещении не крутит.
Машина ваз 2112 07 г 1.6 8 кл. После пуска двигателя на холодную, начинает роить и за горестях чек! Глушу, по новой завожу все идеально. Бортовик пишет ошибку 4 и 8.
Часто загорается ЧЕК после 3-4 мин работі, а потом через 10-15 мин тухнет. Пытался посмотреть код ошибки — все время высвечивается «0». По звуку и тяге не заметно разницы. Машина — Лада 111, 8 клапанов, инжектор. Прошла 60 тыс км. Бензин А92 на АЗС ОККО.
Ваз 2115i 2001г.в.,подскажите пожалуйста,почему при самодиагностике с ЖК панели у меня невысвечиваются ошибки,это после всех тестов что проводит система(подъём стрелок,лампы индикации и т.д.),после чего нужно нажимать кнопку сброса ещё раз,отображается номер версии и затем ошибки,но ничего этого нет,хоть check и горит.Помоготи кто,что знает или сталкивался с подобной ситуацией.Спасибо!
Помогите пожалуйста.
Ваз 2112 16ти кл. Заводится норм, не тянет вообще, нажимаю на газ она больше 1500 полторы тыч. оборотов не набирает начинает троить.
Ремень грм вроде все по рискам.форсунки смотрел, чистые.
Не знаю что делать…
Попробуйте посмотреть бензонасос или датчики на него.
было у меня такое на ваз 2111 модель двиги 2112. вобщем набирал обороты до 2.5 и начинал троить. проблема в мозгах. прошил мозги и все. но мне сказали мозги могут сдохнуть. но мне повезло.
привет умена ес машина Ситроен с5 2003 год гарит лапчка чек пажалусто скажице как збросиц
Мозги себе прошей, чтоб писать по русски мог.
Сначала сходи в школу, подучись немного)))

Поломки датчиков
Диагностика при помощи дополнительных средств На СТО используется персональный компьютер, на который данные от датчиков фаз передаются через специальный кабель.
Диагностика при помощи дополнительных средств
Для диагностики авто, в том числе и ВАЗ 2110, применяют различное оборудование, которое подключается к специальному разъему. Благодаря этому оснащению, которое не отличается особой сложностью и высокой ценой, можно составить полную картину состояния авто.
На СТО используется персональный компьютер, на который данные от датчиков фаз передаются через специальный кабель.

На рынке появились блютуз устройства, позволяющий производить диагностику при помощи смартфона, планшета или ноутбука.
Работают они по схеме. Устройство подключается к разъему, включается зажигание и начинается процесс диагностики. Данные поступают от датчиков фаз на ЭБУ. От него на мобильное устройство, на котором предварительно должно быть установлено специализированное программное обеспечение.
Это дает возможность не только большего получения данных, но и представлены они в более наглядной форме. Такой способ позволяет водителю даже с небольшим опытом эксплуатации авто (в нашем случае ВАЗ 2110) получить все данные о его автомобиле.
Но большинство водителей предпочитают проводить диагностику на СТО. Чтобы вы были в курсе тех данных, которые выдает бортовой компьютер через ОЗУ от датчиков фаз, представим расшифровки частых ошибок.
Расшифровка комбинаций
Если возникают проблемы с электрооборудованием, устраняться они должны немедленно. О том, что в данном вопросе не все в порядке покажет код ошибки 1602.
Иногда ошибка 1602 может быть просто сброшена и в дальнейшем не появляется. Социалисты называют такие данные «добрыми».
- на некоторое время была отключена аккумуляторная батарея;
- имел место скачок напряжения во время запуска мотора, к примеру, в холодную погоду.
Проверьте массу ЭБУ, ДПДЗ. Иногда случается, что причиной кода ошибки 1602 является сигнализация, которая может блокировать цепь контролера и влияет на показания датчиков фаз. В такой ситуации нужно обращаться с претензией в компанию, которая занималась установкой сигнализации.
Ошибка 0102 свидетельствует о заниженном уровне сигнала, который сообщается от датчика фаз массового расхода воздуха.
Код 0102 будет занесен в память ОЗУ в таких ситуациях:
- малый расход воздуха, который зависит от скорости вращения коленчатого вала;
- насколько открыта дроссельная заслонка;
- после появления неполадки прошло несколько циклов.
Если ошибка появляется периодически, то нужно:
- проверить состояния воздушного барьера;
- крепление колодочки проводки с ЭБУ;
- проверить РХХ;
- почистить дроссельный патрубок.
Методы диагностики ошибок
- если высветится 1, это указывает, что есть проблемы с микропроцессором или ОЗУ дает сбой;
- 4 —высокое напряжение в сети, более 16 V;
- если 8, то низкое.
Коды ошибок комбинации VDO на панели приборов ВАЗ 2110 Далее рассмотрены расшифровки кодов ошибок ВАЗ 2110, встречающихся наиболее часто. Для удобства чтения, информация разбита на логические блоки.
Комментарии (69):
Еще у меня приборы отключатся когда едешь и звук какой то пишит уровень топлива тоже плавает меня дут точ такой же ни чё не помогло и масу смотрел на ручнике тоже ноль
У меня показывает на приборах сверху 3456 а снизу 78 что это значит подскажите пож
Здравствуйте ! Помогите с проблемой вчера приехал на авто всё работало до этого чистил форсунки. На следующий день авто завелась но поработав 3-5 сек заглохла и больше не завелась искры нет датчик колевала менял , потом сбрасываю давление в рампе пытаюсь завести заводится на 4 сек и глохнет . Куда копать ?
Подскажите пожалуйста.у меня показывает ошибку 78 . Ваз 21124 16v европанель 2007 года
Здравствуйте у меня ваз 10, 8 клапаны была ошибка 14 я ее збросил надо ехать на диагностику ?
Здраствуйте, У меня ваз 2110 машина не заводиться. Буксиром еле-еле завёл холостой не работают и тройт, постайано надо газовать что надо делать подскажите. И ошибка 8 покзывает, как найти этот нейсправность.
Ваз 2112 16клапанный, при самодиагностике выдает ошибку 818,2…помогити спасити чего делается то)
Здравствуйте, ваз 2112 перестала заводится, на бортовом комп.показывает ошибку 43210
Помогите пожалуйста стоял грелся минут пять вдруг машина заглохла сама заводил потом тоже сперва Троила играла оборотами от 1000-1500 и опять глохла ,а как только нажимаешь на газ сразу глохнет
Датчик коленвала либо сам коленвал может еще шестерня коленвала
Привет,я делаю все как на видео, но диагностика не выполняется, просто переключает пробег на суточный и все.
Сергей зажми на панели эту кнопку и держи поверни при этом ключ зажигания там все покажет
Реле не ставил на стартер? У них это болезнь, при включенном мафоне или освещении не крутит.
Машина ваз 2112 07 г 1.6 8 кл. После пуска двигателя на холодную, начинает роить и за горестях чек! Глушу, по новой завожу все идеально. Бортовик пишет ошибку 4 и 8.
Здравствуйте горит ошибка 8 ваз 2112 1.6 16кл .
Часто загорается ЧЕК после 3-4 мин работі, а потом через 10-15 мин тухнет. Пытался посмотреть код ошибки — все время высвечивается «0». По звуку и тяге не заметно разницы. Машина — Лада 111, 8 клапанов, инжектор. Прошла 60 тыс км. Бензин А92 на АЗС ОККО.
Ваз 2115i 2001г.в.,подскажите пожалуйста,почему при самодиагностике с ЖК панели у меня невысвечиваются ошибки,это после всех тестов что проводит система(подъём стрелок,лампы индикации и т.д.),после чего нужно нажимать кнопку сброса ещё раз,отображается номер версии и затем ошибки,но ничего этого нет,хоть check и горит.Помоготи кто,что знает или сталкивался с подобной ситуацией.Спасибо!
Помогите пожалуйста.
Ваз 2112 16ти кл. Заводится норм, не тянет вообще, нажимаю на газ она больше 1500 полторы тыч. оборотов не набирает начинает троить.
Ремень грм вроде все по рискам.форсунки смотрел, чистые.
Не знаю что делать…
Попробуйте посмотреть бензонасос или датчики на него.

Коды ошибок ВАЗ 2110 и ВАЗ 2112 с расшифровкой
- если остается 0, то ошибки отсутствуют;
- при появлении 1 — говорит о неисправности микропроцессора;
- обрыв цепи датчика указателя уровня топлива;
- ошибка 4 — повышенное напряжение питания бортовой сети свыше 16 Вольт;
- ошибка 8 — пониженное напряжение, менее 8 Вольт;
- при нескольких неисправностях одновременно может выдаваться цифра, которая будет являться суммой вышеприведенных кодов, например 6 (2+4), 10 (2+8), 12 (4+8) или 14 (2+4+8).
Коды ошибок ВАЗ 2110, ВАЗ 2111, ВАЗ 2112 Ошибка программируемого постоянного запоминающего устройства (ППЗУ)
