Не Горят Противотуманные Фары Ваз 2115 – Лада 2115 2004 75 л с поломка
Не горят противотуманные фары: расписываем все нюансы

Как я думаю, Вы уже убедились, что на ВАЗ 2114 и на других «Самарах» головной свет фар оставляет желать лучшего, а в пасмурную и дождливую погоду чувствуешь себя как ежик в тумане. Поэтому, противотуманные фары значительно улучшают ситуацию, освещают обочину.
Но случается, что в определенный момент ПТФ перестают работать, и нужно срочно искать причину неисправности. В данной статье мы рассмотрим основные возможные причины неисправности противотуманных фар (ПТФ) и методы их устранения.
Самая основная и частая причина неисправности – это окисление и коррозия, которые появляются в условиях длительной эксплуатации и в условиях российского климата. Но все же мы коснемся конкретных проблем, и начнем от самого простого к сложному.
Предохранитель
Перегорели Лампы в ПТФ
В данном случае остается только проверить и заменить. Когда будите снимать лампу и смотреть – нить накаливания лампы визуально может остаться целой, поэтому лучше проверить заведомо рабочей лампой. Опять же – если же у вас отказали обе противотуманные фары, то скорее всего это не ваш случай.
Не горит левая сторона габаритов ваз 2115.
- Возможность своевременного маневра, которая в обычных условия попросту не представляется выполнимой. Нередко водители, не имеющие ПТФ, оказываются за пределами дорожного полотна. Секрет заключается в ширине светового луча, который открывает полноценный обзор на разметку и обочину.
- Увеличенная дальность освещения (и, как следствие, обзора). Такое свойство обеспечивается благодаря более плоскому световому потоку, который в большей мере распространяется в ширину. Учитывая более высокую температуру дорожного покрытия по сравнению с оным показателем у тумана, он не опускается непосредственно на землю. Поэтому обладатели ПТФ имеют видимость, которая в среднем на десять метров дальше по сравнению со стандартной оптикой.
- При условии профессиональной настройки, противотуманные фары не слепят проезжающие мимо транспортные средства, позволяя им лучше наблюдать вас. Это в значительной степени повышает безопасность, снижая риск возникновения ДТП.
Не горят задние противотуманные фары ваз 2115 Но иногда случается так, что ПТФ отказываются включаться, причем не работать может как одна, так и обе фары. Причин того, почему не горят противотуманки на ваз 2114, может быть большое множество, но главная из них — появление окислов или коррозии в важных местах электрической цепи, идущей к фарам.
Устройство электрооборудования и противотуманных фар на ВАЗ-2114

Для того, чтобы понимать почему противотуманные фары вышли из строя необходимо немного знать о том, как устроено электрооборудование автомобиля в целом, а также схему подключения данного узла в общую электрическую цепь.
Итак, рассмотрим основную схему электрооборудования ВАЗ-2114:
Общая схема электрооборудования автомобиля включая ПТФ
А также, схемы непосредственного подключения противотуманных фар.
Причины выхода из строя
Теперь, когда разобраны все схемы электрического подключения противотуманных фар, можно перейти непосредственно к определению причин их неработоспособности или выхода из строя:
- Перегорание предохранителя.
- Сгорели лампочки.
- Окисление контактных соединений.
- Нет контакта на массу.
- Не работает кнопка.
- Отсутствует питание.
- Неверное подключение.
- Сломано реле.
Не горят лампы ПТФ (методы устранения неисправностей)
Теперь, когда все причины выделены, можно перейти непосредственно к рассмотрению вопроса решения проблемы. Для диагностических операций потребуется – тестер, а вот для ремонта – набор отверток, ключей и некоторые запасные части.
Теперь, рассмотрим, как в разных случаях необходимо решать проблемы.
Перегорание предохранителя
Схема предохранителей в монтажном блоке
Если на автомобиле погасли обе противотуманки сразу, то в монтажный блок можно не лезть и дело в другой поломке.
Сгорели лампочки
Еще одной частой причиной не работающих противотуманных фар становится перегорание лампочек вследствие короткого замыкания или естественного эксплуатационного износа.
Для проверки исправности детали устанавливаем в посадочное место новую лампу, и если она горит, то дело точно в выходе из строя именно этого элемента. Как и в предыдущем случае, сразу две лампы перегореть не могут.
Окисление контактных соединений
Из-за плохой герметизации окислился контакт ПТФ
Зачастую, еще одной проблемой становится то, что разъёмы подключения противотуманных фар непосредственно к блок-фарам окисляются и не дают надлежащего контакта, что может вызвать мигание или пропадания света.
В данном случае, методом лечения является зачистка контактной группы соединения разъемов.
Почему на ВАЗ-2114 не горят противотуманки: причины, фото и видео
Не горят туманки 2114 Как установить ПТФ? – устанавливаем ПТФ своими руками на норму.
Выводы
Заменить датчик заднего хода (лягушку) на ВАЗ-2114 достаточно просто. Но, существует нюанс, что деталь необходимо вынимать и вставлять очень быстро, поскольку через отверстие начнёт литься масло. Если смазочной жидкости вытекло достаточно много, то необходимо ее долить, во избежание последствий для коробки передач.
Всем привет! Начну с вступления… Выезжая сегодня с автомойки задом заметил что мне как то темновато… НЕ ГОРЯТ ФОНАРИ ЗАДНЕГО ХОДА. засада блин… и самое интересное я не знаю давно ли тк весь задок авто был грязный и как то не обращал внимания…
Отъехал чуть от мойки чтоб не мешать и пошел проверить контакты и лампочки… НОЛЬ ВНИМАНИЯ((((
Погуглил инет и драйв 2… На драйве инфы очень мало… а вот на гугле инфа противоречива… Советуют начать с передохранителя и проверки датчика… если с предом все понятно то по датчику инфа ввела меня в заблуждение…
Кто сталкивался с этим датчиком подскажите пожалста как должно быть при проверке? какой принцип его работы?
Перестали гореть противотуманки на ваз 2114
- К1 – реле очистителей фар.
- К2 — реле указателей поворота и аварийной сигнализации.
- К3 — реле очистителя ветрового стекла.
- К4 — реле контроля исправности ламп.
- К5 — реле стеклоподъёмников.
- К6 — реле звуковых сигналов.
- К7 — реле обогрева заднего стекла.
- К8 — реле дальнего света фар.
- К9 — реле ближнего света фар.
- F1-F20 — плавкие предохранители.
Почему не работают противотуманки Если все вышеперечисленные причины были проверены, и ни одна из них не была выявлена, значит дело в самой проводке. В этом случае следует прозвонить все провода, используемые в цепи подключения противотуманных фар, а также проверить правильность самого подключения.
Место расположения реле
Реле ПТФ в старых вариациях автомобилей ВАЗ выводилось под капот, в сторону блока с предохранителями. Сейчас же все чаще его помещают именно в салон, под руль, в области электронного блока. Там же находится реле, отвечающее за подачу питания на приборную панель, сигнализатор (если он предусмотрен конструкцией).
Важно понимать, что изначально реле противотуманных фар указанную цепь не соединяет, так как производитель по умолчанию ставит обычные фары без дополнительного освещения. Замыкание же цепи производится после того, как выполнена установка противотуманных фар.
Перестали гореть противотуманки на ваз 2114
- Проверяем, идет ли питание на кнопку ПТФ (если горит лампочка включения ПТФ, то здесь все нормально).
- Проверяем питание реле на контакты 30 и 87 (смотрите схему). Провода от этого реле идут на колодки ш7 ш8 монтажного блока (они обозначены).
Не горят лампы ПТФ (методы устранения неисправностей) И так, самая первая, и наиболее распространенная причина — это сгоревший предохранитель.
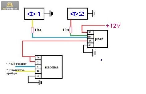
Схема подключения ПТФ
Но иногда случается так, что ПТФ отказываются включаться, причем не работать может как одна, так и обе фары. Причин того, почему не горят противотуманки на ваз 2114, может быть большое множество, но главная из них — появление окислов или коррозии в важных местах электрической цепи, идущей к фарам.
Перед тем, как рассмотреть все возможные причины более подробно, следует ознакомиться с принципиальной схемой подключения противотуманных фар к бортовой электросистеме автомобиля.
На ней присутствуют следующие обозначения:
- прямоугольники розового цвета 10А — 10-ти амперные предохранители;
- Ф1 и Ф2 — противотуманные фары;
- значок заземления — подключение к массе;
- +12V — выход на «+» клемму аккумуляторной батареи.
Перегорание предохранителя
[/i] Замена — дело несложноеПодобраться через капот к правой противотуманке довольно сложно, проще снять саму фару, вывернув саморезы.Сгорели лампочки
Задать вопрос экспертуМнение экспертаЧерноволов Василий, эксперт-автомеханик 1-й категорииЕсли у вас есть вопросы, с удовольствием помогу!Теперь, когда разобраны все схемы электрического подключения противотуманных фар, можно перейти непосредственно к определению причин их неработоспособности или выхода из строя. Первый случай самый распространенный, и проблема решается элементарной заменой лампочки, благо они везде продаются и стоят дешево. Где чаще всего коротит? По всем вопросам пишите мне, я обязательно объясню все нюансы!Предохранитель
- перегорел предохранитель;
- перегорела(и) лампочка(и);
- произошло окисление контактов;
- пропал контакт с «массой»;
- вышла из строя кнопка;
- вышло из строя реле.
Лада 2115 Самара, 2010 Здесь вариантов может быть предостаточно. Если не считать повреждения самой лампы или её спирали, то картина такая:
Замена неработающей лампочки
Чтобы закрепить задние габариты ВАЗ 2114, нужно соблюдать ряд простых рекомендаций:
- отключите питание автомобиля;
- открываем багажник, снимаем декоративную планку;
- затяните зажимы, снимите контактную панель всей лампы;
- нажмите на неисправную лампу и поверните ее против часовой стрелки, чтобы снять.
Кроме того, желательно «прозвонить» лампу тестером, чтобы убедиться, что проблема вызвана именно ее неисправностью, после чего ее следует заменить на новый аналог и приступить к монтажу лампы в обратном порядке.
Некоторые владельцы Жигулей, столкнувшись с тем, что на их ВАЗ 2114 не работают габариты, не заморачиваются и меняют всю ламповую сборку, тем более что они не такие уж и дорогие. Это можно считать удобным решением, так как такая замена на какое-то время исключает вероятность выхода из строя других ламп в фонаре, помимо общей.
В некоторых ситуациях обрыв размера — это не полная нефункциональность фонарей, а просто более слабое свечение, свидетельствующее о проблеме с подачей питания на контакты. Чтобы устранить проблему, просто очистите всю контактную группу в блоке управления под капотом, и если это не поможет, вам нужно будет проверить каждую группу, ведущую к заднему фонарю, отдельно.
Выбор датчика на ВАЗ-2114 и аналоги (артикулы)
- включение / выключение происходит с помощью кнопки в модуле управления внешним освещением;
- при включении габаритов переключатель подсвечивается зеленым индикаторным диодом;
- задние габариты ВАЗ 2114, в отличие от передних, светятся красным цветом в соответствии с российскими нормами безопасности дорожного движения.
Отсутствует питание на фишке ПТФ Реле находится либо в монтажном блоке, либо установлено в другом месте, если ПТФ устанавливалось не заводом. Самый простой вариант – заменить и проверить на заведомо рабочее реле, так же можно попробовать постучать по нему. Когда вы включаете кнопку ПТФ – должен происходить щелчок реле. Если реле не щелкает – либо заменить реле, либо на него попросту не идут питание.
Недостаточный контакт на массу
Плохой контакт на массу непосредственно в самих ПТФ также может стать причиной отказа противотуманок. Проверьте крепления фары к кузову автомобиля, при необходимости места соединения, для обеспечения надежного контакта, необходимо зачистить.
Отсутствие подачи напряжения на ПТФ ВАЗ 2114 может быть вызвано обрывом в электропроводке. Для определения местонахождения обрыва воспользуйтесь представленной электросхемой подключения ПТФ ВАЗ 2114.
Нет питания
- Проверяем, идет ли питание на кнопку ПТФ (если горит лампочка включения ПТФ, то здесь все нормально).
- Проверяем питание реле на контакты 30 и 87 (смотрите схему). Провода от этого реле идут на колодки ш7 ш8 монтажного блока (они обозначены).
Если же питание отсутствует – его нужно искать, искать обрыв провода. Скорее всего проблема в данном случае банальная – отвалился или заржавел провод.
Полезные статьи: Какие ПТФ выбрать? – выбираем противотуманки на рынке.
Как установить ПТФ? – устанавливаем ПТФ своими руками на норму.
Кол-во блоков: 15 | Общее кол-во символов: 9026
Количество использованных доноров: 4
Информация по каждому донору:Неверное подключение
- прямоугольники розового цвета 10А — 10-ти амперные предохранители;
- Ф1 и Ф2 — противотуманные фары;
- значок заземления — подключение к массе;
- +12V — выход на «+» клемму аккумуляторной батареи.
Устройство электрооборудования и противотуманных фар на ВАЗ-2114 Это связано с тем, что провод находится на открытом воздухе и на него влияют внешние факторы, что может привести к коррозионным повреждениям. Так, методом лечения неисправности является зачистка контактного соединения провода и массы.






