Как Сделать Проводку на Мотоцикле Минск с Нуля. Зажигание от скутера
Зажигание Минск — принципы регулировки искрообразования для данной модели мотоцикла
Главное в работе с зажиганием на Минске — это определить, в чём состоит проблема, и сможете ли вы помочь мотоциклу своими руками.Чаще всего проблема возникает в прерывателе или из-за недостаточно сильной искры абриса. Мы рассмотрим эти пункты подробней.
- Прокручивая ротор, добиваемся максимальной дистанции между контактами.
- Откручиваем винт крепления контактной стойки к крышке.
- Прокручиваем эксцентрик, пока не получим зазор 0,35 – 0,40 мм. Зазор измеряем с помощью щупов.
- Устанавливаем момент зажигания.
Для этого поднимаем поршень на отдаление в 3 мм от ВМТ. Далее ищем момент разрыва. Немного откручиваем болты в статоре. Затем небольшой лист бумаги ставим между контактами. Когда лист выпадет, точка разрыва найдена. Болты закручиваем на место и снова проверяем расстояние между контактами.

Доводка головного света мото до идеала / Гараж / БайкПост
- Откручиваем болты абриса, но не полностью.
- Если искра увеличивается при увеличении дистанции между контактами, пластину абриса проворачиваем по часовой стрелке, если уменьшается – против часовой стрелки.
- Проверяем расстояние между контактами.
- Устанавливаем зажигание и проверяем искру.
- Эти действия выполняем, пока не получим сильную искру, которая не будет изменяться при изменении расстояния между контактами.
Схемы электропроводки на мотоциклы Днепр с коляской, Урал, Минск Магнитофон настольной конструкции собран в деревянном ящике с поднимающейся крышкой. Под крышкой расположена панель лентопротяжного механизма с подкатушниками.
Тюнинг двигателя

Наверное, каждый мотоциклист является любителем динамичной езды, но мотоцикл Минск не слишком предназначен для такого. Поэтому, в первую очередь владельцы стремятся доработать именно двигатель. Тут можно легко добавить пару лошадиных сил.
Обычно для этого применяется расточка цилиндра. Так можно сделать больше степень сжатия, ну и соответственно мощность мотора. Давайте рассмотрим более подробно, как это делается:
- Стачивается блок на 1,5 мм, также стачивается нижняя кромка головки блока, также на 3 мм. Производится доработка цилиндра мотоцикла на токарном станке;
- Увеличивают размеры выпускного и впускного отверстия;
- Устанавливают новые клапана, лучше японского производства;
- Дорабатывают поршень. Берут стандартный поршень и подгоняют его под измененный двигатель. Если у вас нет специального токарного станка, или вы не совсем уверены в своих силах, то лучше отдать двигатель опытному токарю.
После такой переработки двигатель получит дополнительные 1-2 л.с. Но, стоит учитывать, что он будет более требователен к питанию, тут ему требуется заливать бензин октановым числом не менее 92.
Схема проводки мотоцикла минск 12 вольт
- Маломощный двигатель. Самый сильный движок всего 13 л.с.;
- На самых ранних моделях встречалось неудачно расположение подшипников коленвала;
- Неудачно сконструированное сцепление;
- Слабые тормоза.
Настройка зажигания на Минске — Ремонт мотоцикла — Каталог статей — Мотоцикл Минск 125: фото, видео, все о мотоцикле Если ваш мотоцикл не заводится либо работает ненормально, то допустимо повод заключается в неверно выставленном зажигании
Как сделать из стокового Минска Эндуро?! Или как запилить на Минск моноамортизатор без лишней крови
Как сделать из стокового Минска Эндуро?? Многие задаются этим вопросом, в этой статье я расскажу вам:
1.Как собрать двигатель который не будет ломаться.
3.Как поменять родную вилку на вилку от ИЖ ПС

От движка нужно только одно, чтобы он безотказно работал! И с этой задачей я справился! Не важно какая температура будь то -30 или +30 движок заводится одинаково, с пол тычка!
Говорю сразу двигатель пришел ко мне в очень и очень плачевном состоянии cray
а)Для начала я его разобрал, затем расколол, и вот первые ассоциации: «Такое ощущение, что на мотоцикле не ездили, а только насиловали. Колен вал имеет такой нехилый люфт во всех направлениях, шатун гнутый, про поршень я вообще молчу!» Колен вал пришлось покупать новый cray Купил родной Белорусский пришлось правда раскошелится smile Но как говориться
Короче вот рецепт идеального двигателя:
10.Лить только качественное масло(лично я лью MOTUL)
Как я уже говорил «Скупой платит дважды», лучше переплатить и залить качественное масло, чем ездить на отработке и удивляться «Почему у меня постоянно движок тупит и мотак ломается. «
11. Ну и самое главное — ПРЯМЫЕ РУКИ И ТРЕЗВЫЙ УМ.
2. Замена стоковой вилки от Минск на вилку от ИЖ ПС
Вилка от Минскача конечно хорошая, но для увеличения клиренса и придания визуального эффекта кроссового мото, пришлось поменять ее на вилку от ИЖ ПС. По гуглив начитался страшилок, что это довольно сложно, надо крепления переваривать и все такое. Говорю сразу, не знаю как у других, но у меня она встала как родная, только пришлось подшипники заменить на ижовские и все.
Ах да, единственный гемор с этим, будет связан с колесом!
Тюнинг мотоцикла Минск своими руками: доработка внешнего вида
Как сделать из стокового Минска Эндуро! Или как запилить на Минск моноамортизатор без лишней крови — Мотоцикл Минск — 12 Дроссель ДР100 включен в цепь стоп-сигнала и света городской езды, является дополнительным устройством, стабилизирующим напряжение данной цепи. Работа дросселя заключается в следующем: по мере увеличения оборотов двигателя и возрастания Э.Д.С. генератора увеличивается индуктивное сопротивление дросселя, вследствие чего напряжение на лампах городской езды изменяется незначительно.
Схема проводки мотоцикла Урал: особенности развития электрооборудования
Понравилась статья? Следите за новыми идеями полезных авто советов в нашем канале. Подписывайтесь на нас в Яндекс.Дзене. Подписаться.
Появившись в довоенные годы, мотоцикл Урал стал основным тяжелым мотоциклом СССР на долгие десятилетия. Более того, Ирбитский мотоциклетный завод и в 2013 году продолжает выпускать модификации мотоцикла Урал. Но в последнее десятилетие от самостоятельного производства комплектующих деталей отказались, оставив за собой окончательную сборку из покупных элементов.
Справочно: к сожалению, снижение выпуска привело к тому, что отпускная цена на Урал значительно возросла, что сказалось на количестве продаж. Они заметно упали, и сегодня Ирбитский мотоциклетный завод выпускает мотоциклы только под заказ.

Как настроить зажигание на Минске
Тюнинг двигателя

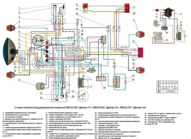
Схема электропроводки Днепр
- Аккумуляторной 12-ти вольтовой батареи;
- Более мощного генератора;
- Катушки зажигания;
- Лампы головного света;
- Ламп поворотов и габаритных огней;
- Лампы освещения номерного знака;
- Ламп стоп-сигнала;
- Блока предохранителей.
Принцип действия электронной системы зажигания Вместо него устанавливают лепестковый от любого иностранного мотоцикла. Впускное отверстие рекомендуется зашлифовать.Обязательно ставят другой карбюратор. Рекомендуется использовать японские аналоги, имеющие диффузор 26-28 мм. Воздушный фильтр должен иметь минимальное сопротивление.
Схема электрооборудования днепр 11
Сделать сайт просто как «раз-два-три»!
Раз. Выбрать и зарегистрировать свободное доменное имя. Два. Заказать хостинг, выбрав подходящий тарифный план или заказать установку выделенного сервера. Три. Заказать создание сайта у нашего специалиста. Мы можем предложить вам создание сайта любой сложности.
Первый шаг вы уже сделали, зарегистрировав доменное имя. Следующими шагами будут заказ хостинга и создание сайта.
Второй шаг – заказ хостинга из предлагаемых тарифных планов. Также вы можете заказать у нас установку выделенного сервера.
Шаг третий – создание сайта. Вы можете заказать сайт любой сложности, связавшись с нашим специалистом.
Схема проводки на Днепр МТ11 была заимствована у электрооборудования предыдущей модели МТ10. Вся электрическая цепь мотоцикла состоит из источников и потребителей тока, а также вспомогательных приборов. Ее задачей является обеспечение байка освещением, воспламенением топливовоздушной смеси, звуковыми и предупредительными сигналами.

При снятии и установке электроприборов необходимо разорвать цепь выключателя во избежание травм и замыкания электрической цепи. Для лучшей эксплуатации рекомендуется регулярно производить чистку клемм и контактов.
Регулируем абрис
- Предусмотрена батарейная система зажигания.
- Узел сцепления сухого типа оснащается двумя дисками.
- Коляска оборудуется рычажной подвеской с гидравлическими амортизаторами пружинного типа.
- На самом мотоцикле спереди установлена телескопическая вилка с гидравликой и пружинами.
- Заднее колесо оснащено маятниковой подвеской с гидравлическими пружинными амортизационными элементами.
- Размеры шин – 3,75/19.
Неисправности в работе электрооборудования Для этого необходимо немного укоротить кулачок, также сделать на нем насечки, которые предотвращают проворачивания самого модулятора. Также стоит соблюдать параметры зазора между модулятором и индуктивным датчиком, который должен быть в пределах 1-1,5 мм. При установке зажигания нужно знать, что искра бьет в момент выхода модулятора из датчика, а не на входе.
Зажигание от скутера
Зажигание от скутера на Иж юпитер может работать без аккумулятора. Перед тем как его настраивать нам понадобится три детали:
Чтобы не тянуть дополнительный провод на индуктивный датчик через весь двигатель можно воспользоваться проводом, который соединял контактную группу и штатную катушку зажигания.
Для этого нужно взять с коммутатора провод, который идет на индуктивный датчик, и подключить к проводу, который шел к штатной катушке. Далее убираем конденсатор и подключаем индуктивный датчик
Выставлению крышки генератора необходимо особо уделить внимание. Нужно чтобы она была нормально установлена и ничего не задевала при вращении

Для этого необходимо немного укоротить кулачок, также сделать на нем насечки, которые предотвращают проворачивания самого модулятора. Также стоит соблюдать параметры зазора между модулятором и индуктивным датчиком, который должен быть в пределах 1-1,5 мм. При установке зажигания нужно знать, что искра бьет в момент выхода модулятора из датчика, а не на входе.
После того как электронное зажигание от скутера будет установлено на мотоцикл, показатели его намного улучшатся. В частности он будет намного лучше заводиться (особенно это станет заметно при малом уровне заряда аккумулятора). Также заметно улучшится набор скорости. Мотоцикл будет ровно держать холостой ход, что говорит о правильной работе двигателя.
Уход за генератором
- Обгорание контактов – происходит по причине нарушения соединения клемм или пробоя конденсатора. Необходимо заменить конденсатор и зачистить контакты.
- Слабая искра. Устраняется заменой свечи. Если не помогает, следует причины искать глубже.
- Ротор цепляется за статор. Ликвидируется путем замены подшипника.
- Повреждение изоляции обмоток. Результатом будет отсутствие искры. Если данная проблема возникла в дороге, можно попытаться поменять клеммы местами и так добраться до гаража. Мотоцикл в таком случае придется заводить с хода.
Несколько советов по настройке зажигания на мотоцикле Минск Раз. Выбрать и зарегистрировать свободное доменное имя. Два. Заказать хостинг, выбрав подходящий тарифный план или заказать установку выделенного сервера. Три. Заказать создание сайта у нашего специалиста. Мы можем предложить вам создание сайта любой сложности.
Как выставить абрис для наилучшего зажигания
Первоначально абрис устанавливается на заводе, когда уже готовый мотоцикл находится в состоянии сборки, и крепко регулируется специальными винтами. В большинстве случаев это позволяет избежать проблем, однако иногда они разбалтываются, нарушая ход искры зажигания и уменьшая её интенсивность.
Установка зажигания мотоцикла Минск пройдёт гораздо проще при содействии опытных водителей или механиков, если вы являетесь новичком в этом деле. Впрочем, вы без проблем сможете осуществить её и самостоятельно, уделив этому максимум внимания и старания, здорово сэкономив на цене за ремонт мотоцикла в сервисе.
У большинства генераторов, которые устанавливают на мотоциклы «Минск», система зажигания механическая. Исходя из этого, особое внимание следует уделить зазору между контактами прерывателя, регулировки абриса и установке зажигания.
Поворачивать коленвал следует по часовой стрелке
Перед началом регулировки нужно правильно выполнить вышеперечисленные пункты. После определить величину искры между проводом повышенного напряжения и цилиндром. Затем изменяя зазор в прерывателе, продолжают наблюдать за искрой. Если искра изменяется не сильно, значит регулировку можно прекратить.
Если же изменяется – то нужно продолжать. Для этого немного откручиваем болты абриса и проворачиваем пластинку против часовой стрелки, если искра улучшается при увеличении зазора контактов прерыватели и наоборот – против часовой, если ухудшается.
Теперь необходимо снова проверить зазор и установить зажигание. Затем проверить величину искры и, если необходимо, снова отрегулировать абрис. Это нужно повторять до тех пор, пока искра не станет мощной и не будет меняться при изменении зазора.
И так мы разобрались, как настроить зажигание на Минске. Процесс довольно сложен и длителен. Советую заниматься настройкой в присутствии опытных мотоциклистов.
Рекомендуем посмотреть видео как настроить зажигание на Минске
Как защитить себя при падении с мотоцикла часть-5Замена фильтра кондиционера своими рукамиКак подключить поворотники?Как правильно проводить балансировку колес автомобиля Используемые источники:

Установка светодиодной оптики на мотоцикл
Днепр-11, Днiпро-11

Неисправности в работе электрооборудования
- Откручиваем болты абриса, но не полностью.
- Если искра увеличивается при увеличении дистанции между контактами, пластину абриса проворачиваем по часовой стрелке, если уменьшается – против часовой стрелки.
- Проверяем расстояние между контактами.
- Устанавливаем зажигание и проверяем искру.
- Эти действия выполняем, пока не получим сильную искру, которая не будет изменяться при изменении расстояния между контактами.
Уход за генератором Электрическая схема состоит из системы зажигания (замок зажигания, свечи, аккумулятор, прерыватель системы зажигания, катушка зажигания, микропроцессорный блок зажигания), генератора, системы освещения и сигнализации.
